洁净室工程师培训教材
张利群
二OO六年十月
暖通净化工程师培训教材
一. 空气调节和空气净化的基础知识
(一)空气调节的基本概念
A. 空气调节及其分类
B. 湿空气的焓湿图及其应用
1. 湿空气的焓湿图
2. 焓湿图中的名词定义
3. 焓湿图的应用
4. 焓湿图应用的举例
C. 空调送回风的气流组织
(二)空气净化的基础知识
A. 洁净室及其四大要素
B. 洁净室的应用及其分类
C. 洁净室与一般空调的差别
D. 工业洁净室与生物洁净室的差别
E. 洁净室洁净度的等级标准
二.洁净室的设计
(一) 洁净室设计前的准备工作及应收集的有关数据和资料
A. 收集国家和地方有关洁净室建设的政策,标准,规范
B. 研读该项目的(可行性研究报告)和(设计任务书)
C. 收集建厂地区的气象,水文,地质和周围环境的资料
D. 收集生产工艺对环境的要求和生产工艺的有关资料
E. 收集洁净室的建筑和结构的有关资料
F. 了解有关能源(冷源,热源,电源)的情况及其供应
G. 了解当地有关消防和环保部门的要求
H. 了解相关专业的情况和要求
I. 收集有关的设备,材料等资料
(二)净化空调系统的负荷计算
A. 洁净室的热负荷(Q)计算(热平衡计算)
洁净室的热负荷包括下列各项
1. 围护结构的热负荷
2. 室内人员热负荷
3. 室内照明热负荷
4. 室内设备热负荷
5. FFU的热负荷
6. 洁净室的总热负荷计算
B. 洁净室的湿负荷(W)计算(湿平衡计算)
洁净室的总湿负荷包括下列各项
1. 室内人员湿负荷
2. 室内设备湿负荷
3. 洁净室的总湿负荷计算
C. 洁净室的湿热比(ε)计算
D. 洁净室的发尘源及其发尘量
1. 人员发尘
2. 工艺设备和工艺过程的发尘
3. 建筑材料的发尘
E. 洁净室的风量(L)计算(风平衡计算)
1. 洁净室的送风量(L送)计算
⑴. 消除余热的送风量(L送1)
⑵. 消除余湿的送风量(L送2)
⑶. 净化送风量(L送3)
2. 洁净室的新风量(L新)计算
⑴ 洁净室的排风量(L排)
⑵ 洁净室的正压漏风量(L正)
⑶ 洁净室内人员新风量(L人)
⑷ 洁净室的新风量(L新)
F. 净化空调系统的总冷量(Q冷)、总加热量(Q热)、总加湿量(W)的计算
1. 一次回风的空气处理方案
2. 一、二次回风的空气处理方案
3. 新风机组(MAU)加风机过滤器单元(FFU)加干冷盘管(DC)的空气处理方案
G. 净化空调系统的水利计算(阻力平衡计算)
1. 摩擦阻力计算
2. 局部阻力计
3. 总阻力
(三)洁净室净化空调系统的划分
A. 排风系统划分的原则
B. 净化空调系统划分的原则
(四) 洁净室净化空调系统送风型式的比较和选择
A. 净化送风与空调送风合一的型式
1. AHU全新风的净化空调送风型式
2. AHU一次回风净化空调送风型式
3. AHU 一、二次回风净化空调送风型式
4. MAU+RAU的净化空调送风型式
B. 净化送风与空调送风分离的型式
1. AHU(MAU)+FFU的净化空调送风型式
2. MAU+RAU+FFU的净化空调送风型式
3. MAU+DC+FFU的净化空调送风型式
(五) 洁净室净化空调系统的冷,热源
A. 净化空调系统冷源的选择
B. 净化空调系统热源的选择
(六)洁净室净化空调系统的节能
A. 洁净室的空调负荷
B. 洁净室空调的负荷特点
C. 洁净室空调的节能措施
三.净化空调设备
(一)空气的过滤的基本知识及空气过滤的选择应用
A. 过滤机理和过滤器的分类
B. 过滤效率的测试方法
C. 过滤器的功能及作用
(二)空气处理机组(空调器)的选择
A. 工业洁净室用空调机组
B. 生物洁净室用空调机组
C. 表冷器,加热器,加湿器的选择
D.淋水室和化学过滤器的选择
E. 消声器和消声弯头的选择
F. 净化空调机组送风机的选择
G. FFU和干冷盘管的选择
1.FFU
2.干冷盘管
(三)局部净化设备
A. 吹淋室
B. 自净器
C. 净化工作台
D.生物安全柜
E.层流罩
四.洁净室的建造特点
(一) 建造的洁净室必须保证生产工艺所要求的各项参数
(二) 建造的洁净室要具有一定的灵活性
(三) 建造洁净室需要较大的投资
(四) 洁净室运行耗电量大运行费用高
五.洁净室的竣工验收调试,性能测试和洁净室的综合评价
(一)调试前的准备工作
(二)单机试车
(三)联动调试
(四)洁净室的性能测试和综合评价
六.洁净室的性能测试
(一)洁净室性能测试的目的
(二)洁净室性能测试的内容
(三)洁净室性能测试的主要仪器和仪表
(四)洁净室性能测试的方法
七.洁净室维护管理的一问题
(一) 过滤器的基本知识及其维护管理
(二) 洁净室的发尘源和洁净室的清埽
(三) 洁净室的空气品质
(四) 洁净工作服及其清洗
(五) 洁净区厕所的设置
(六) 值班风机的设置
(七) 吹淋室的设置及吹淋效果
(八) 洁净室的正压维持
(九) 洁净室的消毒和灭菌
(十) 洁净室的颜色处理
(十一)洁净室的静电和静电的消除
(十二)洁净室的防火和防爆
(十三)洁净室的能耗和节能
(十四)洁净室的竣工验收调试和在线测试
(十五)净化空调系统的家湿问题
(十六)净化空调系统的管道保温和防结露问题
(十七)净化空调系统的加热问题
A, 空气调节及其分类
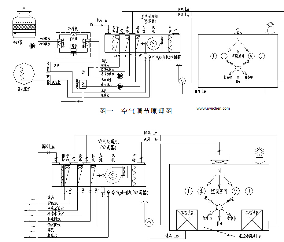
空气调节就是使房间或封闭空间的温度,相对湿度,洁净度,和气流速度等参数均达到给定要求的技术。也就是说,在人们的生活和工作以及生产和科研的某一个特定的空间内其环境空气的温度,湿度,洁净度,和气流速度等构成了该空间的空气环境。采取必要的技术手段来创造和保持该空间内要求的空气环境就是空气调节的任务。在空气调节系统中,空气处理设备即空调器是实现空气热,湿交换和空气过滤净化的核心部分。一个房间或一个空间,在一般情况下除了有来自该房间内部的围护结构,人员,照明灯具及设备产生的热,湿,粒子,微生物或其他有害物的干扰外,同时还有来自房间外部的大气,太阳辐射等的干扰。为了消除上述来自室内外的干扰,就必须采取必要的技术手段,用在空气处理设备中经热,湿和过滤处理过的空气来转移,置换,稀释和冲淡来自方方面面对房间空气的干扰,来保证房间内一定要求的空气环境。空气调节的原例图见图一和图二。
图二 净化空调原理图
空气调节按使用对象的不同又可划分为舒适性空气调节和工艺性空气调节。
舒适性空气调节就是为了满足人们的舒适要求而设置的空气调节。
工艺性空气调节就是为了满足生产工艺对环境空气参数的要求而设置的空气调节。环境空气的温湿度等参数均由生产工艺来决定。不同的生产工艺对环境空气参数的要求也不相同。
B, 湿空气焓湿图及其应用
1. 湿空气的焓湿
湿空气就是我们生活和工作的环境空气,就是生产和科学研究的环境空气。其主要成份是干空气和水蒸汽。所谓干空气就是不含水蒸汽的空气,其中有78%的氮气,21%的氧气和不足1%的氩气,氖气等惰性气体和少量的二氧化碳。在湿空气中虽然水蒸汽的含量非常少,但是它的作用却非常大。从某种意义上说调节湿空气中水蒸汽的含量就是空气调节的重要任务之一。
湿空气的焓湿图是用来表示湿空气的温度、相对湿度、含湿量和焓值等空气状态参数及其相互关系的线算图。是在一定的大气压力的条件下,以焓值为纵坐标含湿量为横坐标,其夹角为1350的线算图。图中有等温度线、等相对湿度线、等含湿量线和等焓值线。利用焓湿图可以表示空气调节处理过程中所发生的混合、加热、冷却、加湿、去湿等所有空气处理过程,并且利用焓湿图可以计算出空气处理过程中所需要的冷量、加热量、加湿量等各种用量。焓湿图见图三。
2, 焓湿图中的名词定义:
a. 干球温度:就是用干球温度计测出的空气温度。
b. 湿球温度:就是用湿球温度计测出的空气温度。也就是说将温度计的水银球用浸水的纱
布包裹起来,所测得的稳定的空气温度。从理论来说,湿球温度就是室内放置一盆水,水吸收空气中的热量后部分水蒸发成水蒸汽释放到空气中,增加空气的潜热,而空气失去了热量,温度降低失去了空气的显热。当这一热湿交换达到平衡以后,空气所得的潜热(水蒸汽)和所失的显热(温度降低)达到平衡后,其空气的总热量(焓值)不变时,此时的水面空气的温度就是空气的湿球温度<即增加的潜热等于失去的显热时>。湿球温度也就是相对湿度100%时的饱和温度。
c. 相对湿度:空气中实际的水蒸汽的分压力与同温度下饱和状态空气的水蒸汽的分压力之比。饱和水蒸汽的分压力为100%。
d. 饱和水蒸汽的分压力:空气中的水蒸汽不断增加达到饱和时,空气中的水蒸汽就会凝结成水由空气中分离出来,此时的温度为饱和温度,其相对湿度达到100%。
e. 露点温度:是在一定大气压力的条件下,某含湿量下的未饱和空气因温度不断地降低,相对湿度不断增加,达到饱和状态空气中的水蒸汽凝结成水珠,从空气中分离出来时的温度叫露点温度。也就是空气中的水蒸汽分压力随空气温度降低不断升高,达到饱和状态(100%)时的温度叫露点温度。
f.含湿量:即环境空气中1公斤干空气所含有水蒸汽的质量(g)。
g.
:空调房间内的全热负荷与全湿负荷之比。
在电子工业产热量大、产湿量小的洁净厂房一般的热湿比8000~10000大卡/kg趋近正无穷大。
对于医院的洁净手术部的洁净手术室的热湿比大约在1800~2400大卡/kg。因为人多,人的产湿量大,但热负荷较小。
3, 焓湿图的应用
在焓湿图上可以划出空气调节系统中各种空气处理的过程线,并且可以在线算图上查出各种空气处理过程的空气参数和各种所需用量。
a. 等湿加热:空气含湿量不变条件下的加热。环境空气的干球温度升高,相对湿度降低。如:空气处理中用热水和蒸汽为热源的热交换器加热、电加热器的加热。ε为正的无穷大过程图线。见图四。
b. 等湿降温:空气含湿量不变条件下的降温。环境空气的干球温度降低,相对湿度增加但并未到露点,没有水凝结出来。如:空气处理中的干表冷。即送入表冷器中的冷冻水的初温高于空气露点。此时ε为负无穷大的过程线。见图五。
图四 等湿加热过程 图五 等湿降温过程
c. 等焓加湿:空气的焓值不变条件下的加湿。即空气和水直接并充分地进行热交换的过程。水吸收空气中的热量后部分水被蒸发成水蒸汽进入空气,空气失去热量温度下降。最终达到空气失去的热量等于空气中增加的水蒸汽的含热量。其空气的总热量(焓值)不变。过程线是135o线,ε= 0,过程线见图六。空气处理过程中淋水室(淋循环水)湿膜加湿、高压喷雾加湿、超声波加湿等加湿的过程线。
d. 生温去湿:空气的温度不断升高含湿量不断降低的过程。固体化学去湿的过程就是生温去湿的过程。即:固体吸湿剂吸收空气中的水分发生化学反应放热使空气温度升高,绝对含湿量降低,相对湿度也降低。过程线近似等焓线。常见的分子筛、氯化锂、硅胶等固体吸湿就是生温去湿过程。过程线见图七。
图六 等焓加湿过程 图七 升温去湿过程
e. 等温加湿:空气干球温度不变条件下的加湿。向空气中喷入水蒸汽的过程就是等温加湿过程。空气的温度维持不变,直接将水蒸汽喷入空气变成空气中的水蒸汽。空气处理中常用的喷蒸汽、喷干蒸汽电极式、电热式的加湿器。过程线见图八。
f. 降温去湿(降温干燥):空气的温度降低同时含湿量也减低的空气处理过程。向空气中喷淋低于空气露点的冷冻水,或将低于空气露点的冷冻水(冷媒)通入表面冷却器,与空气接触后,使空气温度降低而且还使空气中的水蒸汽遇冷凝结成水滴从空气中分离出来,使空气的温度降低,绝对含湿量减少。这是空气处理中最常用的降温去湿的方法,也是冷冻去湿的方法。过程线见图九。向空气中喷淋液体吸湿剂的处理过程也是降温去湿减焓过程,但工程中很少应用。
图八 等温加湿过程 图九 降温去湿过程
g. 升温加湿:向空气中喷热水的处理过程,是升温加湿的过程。在工程中很少应用。过程线见图十。
h.空气的混合过程:两种不同状态的空气混合时,其空气的混合状态点在两种空气状态点的连线上。线段长度之比则为两空气质量之比。其过程线见图十一。
图十 升温加湿过程 图十一 混合过程
焓湿图上几种典型的空气处理过程见图十二。
湿空气状态的各种参数,如:干球温度,湿球温度,露点温度,相对湿度,含湿量和焓值等之间都是相互关连的,只要知道其中的两,三个参数在焓湿图上就可以确定湿空气的状态点。见图十三。
图十二 典型的空气处理过程 图十三 空气状态点参数的确定
4, 焓湿图的应用举例
一个洁净室的室内参数为N,送风参数为S,热湿比为ε,送风温差为
。全新风系统。夏季室外计算参数为Ws,冬季室外计算参数为Wd。现需将室外空气处理到送风参数点S后,用风管送到洁净室内就能满足洁净室的温、湿度要求。可以采取下面多种方法,对空气进行热,湿处理都能达到同一个目的。见图十四。
图十四 焓湿图上的空气处理过程
如:夏季空调空气处理过程可以有如下途径来实现:
a. WS→L→S 用表冷器或淋水室将室外空气降温去湿减焓处理后再等湿再热。
b. WS→a→S 用固体化学去湿将室外空气生温去湿再干冷降温。
c. WS→S 用喷淋液体吸湿剂做降温、去湿、减焓处理。
又如:冬季空调空气处理过程可以有如下途径来实现:
a. Wd→b→L→S 先用加热器对室外空气预热再等温加湿(喷蒸汽)然后用加热器再热。
b. Wd→c→L→S 先用加热器对室外空气预热再等焓加湿(湿膜等)然后用加热器再热。
c. Wd→d→S 先用加热器对室外空气加热再等温加湿(喷蒸汽)。
d. Wd→L→S 先用喷热水对室外空气升温加湿然后再热。
C, 空气调节的气流组织
空气调节气流组织设计的任务就是要合理地组织室内空气的气流流动,使工作区的温度,湿度,气流速度和洁净度能很好地满足生产和科学研究以及人们舒适感的要求。气流组织不合理不仅直接影响空调房间的空调参数和空调效果,而且还要空调系统的能耗。
空调系统送风口射出空气射流是影响室内气流组织的主要因素,而空调回风口,从流体力学角度是空气的汇流,起回风速度衰减很快,与其距离的平方成反比。因此回风口的位置对室内气流组织的影响比较小。
空气调节系统的气流组织形式主要有:上送下回,上送下侧回,上送上回,侧上送侧下回等形式。见图十五。
图十五 空气调节的气流组织
A.洁净室及其四大技术要素
根据生产和科研的要求对室内空气环境的洁净度、温度、相对湿度以及压力、噪声、振动、静电等参数都进行控制的房间叫洁净室或洁净厂房。
洁净室的四大技术要素就是:粗效,中效和高效三级过滤,足够的净化送风量,室内正压的建立和维持,以及剿端高效或超高效过滤器的设置。
B.洁净室的应用和分类
当今洁净室已广泛地应用在电子、航天、机械、化工、制药、食品、医疗、生物工程……各行各业。而且,随着国民经济和科研事业的飞速发展,洁净室的应用将越来越广泛,越来越重要,
洁净室可按气流流型和使用用途以及控制的主要对象来分类。
1, 洁净室按气流流型来划分
① 单向流(层流)洁净室,其中又分垂直单向流洁净室和水平单向流洁净室。
② 非单向流(乱流)洁净室
③ 混合流洁净室
④ 矢流(对角流)洁净室

⑤ 各种气流的特点、创造的洁净度、应用范围和投资运行费。
▲ 单向流气流的净化原理是活塞和挤压原理,把灰尘从一端向另一端挤压出去,用洁净气流置换污染气流。包括有垂直单向流和水平单向流。
垂直单向流是气流以一定的速度(0.25m/s~0.5m/s)从顶棚流向地坪的气流流型。这种气流能创造100级、10级、1级或更高洁净级别。但其初投资很高、运行费很高,工程中尽量将其面积压缩到最小,用到必须用的部位。
水平单向流是气流以一定的速度(0.3m/s~0.5m/s)从一面墙流向对面的墙的气流流型。该气流可创造100级的净化级别。其初投资和运行费低于垂直单向流流型。
▲ 非单向流气流的净化原理是稀释原理。一般型式为高效过滤器送风口顶部送风;回风的型式有下部回风、侧下部回风和顶部回风等。依不同送风换气次数,实现不同的净化级别,其初投资和运行费用也不同。
▲ 混合流气流是将垂直单向流和非单向流两种气流组合在一起构成的气流流型。这种气流的特点是将垂直单向流面积压缩到最小,用大面积非单向流替代大面积单向流以利节省初投资和运行费。
▲ 举例给出不同气流流型的送风量、耗冷量、初投资和运行耗电的具体指标见表一,此指标是以电子工业洁净厂房为代表,具体数据有参考价值,但不能随便套用。
表一 不同洁净级别洁净厂房的送风量、冷量投资耗电的指标
|
气流流型 |
洁净级别 (级) |
送风量 (m/s)(次/h) |
耗冷指标 (W/m2) |
投资指标 |
耗电指标 (W/m2) |
|
|
单向流 |
垂直 |
10 100 |
>0.25m/s |
1300~1500 |
10000~13000 |
1.25~1.35 |
|
水平 |
100 |
>0.3m/s |
800~1000 |
5000~6000 |
0.9~1.0 |
|
|
非单向流 |
1000 |
50~60次/h |
600~700 |
2800~3000 |
0.25~0.33 |
|
|
10000 |
25~30次/h |
500~600 |
2000~2200 |
0.22~0.26 |
||
|
100000 |
15~20次/h |
350~400 |
1400~1600 |
0.13~0.16 |
||
注:表中的送风量、单向流以断面风速表示,非单向流以换气次数表示。
表中冷量指标一般指电子工业洁净厂房。
表中的初投资包括洁净厂房的围护、冷冻供应系统、空调净化系统,不含土建结构和自动控制的投资。
表中的耗电量系指制冷系统和空调送风系统耗电,不含电加热和电加湿的耗电量。
2, 按使用的用途或控制的主要对象划分
① 工业用洁净室:以控制灰尘为主要对象。用于电子、航天、机械、化工、化学制药……。
② 生物洁净室:以控制细菌(微生物)为主要对象。用于生物制药、医疗、食品、生物工程、动物饲养、生物安全等……。
C.洁净室与一般空调的差别见表二
表二 洁净室与一般空调的差别
|
比较项目 |
一般空调 |
净化空调 |
|
原理 |
送风和室内空气充分混合以达到室内温湿度均匀 |
乱流为稀释原理,层流为活塞原理,送出的洁净室空气先达工作区,罩笼洁净工作区 |
|
目的 |
为了控制温度、湿度、风速和空气成份的目的 |
除了一般空调的目的之外,更重要的是控制粒子的浓度 |
|
手段 |
粗、中效过滤加热湿交换 |
除空调手段外还要加高效、超高效过滤器,对微生物还要有灭菌措施 |
|
送风量 (次/h) |
一般降温空调8~10次/h 一般恒温空调10~15次/h |
单向流400~600次/h 非单向流15~60次/h |
|
初投资 (元/m2) |
一般降温500元/m2 一般恒温800元~1000元/m2 |
单向流5000~15000元/m2 非单向流1500~3000元/m2 |
|
运行耗电 (Kw/m2) |
一般降温0.04~0.06 Kw/m2 一般恒温0.08~0.10 Kw/m2 |
单向流0.9~1.35 Kw/m2 非单向流0.13~0.33 Kw/m2 |
|
冷量指标 (W/m2) |
一般降温150~200 W/m2 一般恒温200~250 W/m2 |
单向流800~1500 W/m2 非单向流350~700 W/m2 |
D.工业洁净室与生物洁净室的差别见表三
表三 工业洁净室与生物洁净室的差别表
|
比较项目 |
工业洁净室 |
生物洁净室 |
|
研究对象 (主要) |
灰尘、粒子只有一次污染。 |
微生物、病菌等活的粒子不断生长繁殖,会诱发二次污染(代谢物、粪便)。 |
|
控制方法 净化措施 |
主要是采取过滤方法。粗、中、高三级过滤,粗、中、高、超高四级过滤和化学过滤器等。 |
主要是采取:铲除微生物生长的条件,控制微生物的孳生、繁殖和切断微生物的传播途径。过滤和灭菌等。 |
|
控制目标 |
控制有害粒径粒子浓度。 |
控制微生物的产生、繁殖和传播,同时控制其代谢物。 |
|
对生产工艺 的危害 |
关键部位只要一颗灰尘就能造成产品的极大危害。 |
有害的微生物达到一定的浓度以后才能够成危害。 |
|
对洁净室建筑 材料的要求 |
所有材料(墙、顶、地等)不产尘、不积尘、耐磨擦 |
所有材料应耐水、耐腐且不能提供微生物孳生繁殖条件。 |
|
对人和物进入 的控制 |
人进入要换鞋、更衣、吹淋。物进入要清洗、擦拭。人和物要分流,洁污要分流。 |
人进入要换鞋、更衣、淋浴、灭菌;物进入要擦拭、清洗、灭菌;空气送入要过滤、灭菌,人物分流,洁污分流。 |
|
检测 |
灰尘粒子可用粒子计数器检测瞬时粒子浓度并显示和打印。 |
微生物检测不能测瞬时值,须经48小时培养才能读出菌落数量。 |
E.洁净度的等级标准ISO-14644
ISO-14644是国际标准,现在美国、欧洲、日本、俄罗斯和我国都采用此标准,美国原来应用的是美国联邦标准209A、B、C、D、E,现在美国也不用了。原来我们熟悉的100级、1000级、10000级和100000级都是源自美国联邦标准FS 209B,现在它们分别被国际标准ISO-14644标准中的5级、6级、7级和8级所替代。
ISO-14644的洁净度等级标准列表四如下。
表四 洁净室及洁净空气中悬浮粒子的洁净度等级ISO-14644
|
空气洁净度等级(N) |
≥表中粒径的最大浓度限值(个/m3) |
|||||
|
0.1μm |
0.2μm |
0.3μm |
0.5μm |
1μm |
5μm |
|
|
1 |
10 |
2 |
/ |
/ |
/ |
/ |
|
2 |
100 |
24 |
10 |
4 |
/ |
/ |
|
3 |
1000 |
237 |
102 |
35 |
8 |
/ |
|
4 |
10000 |
2370 |
1020 |
352 |
83 |
/ |
|
5 |
100000 |
23700 |
10200 |
3520 |
832 |
29 |
|
6 |
1000000 |
237000 |
102000 |
35200 |
8320 |
293 |
|
7 |
/ |
/ |
/ |
352000 |
83200 |
2930 |
|
8 |
/ |
/ |
/ |
3520000 |
832000 |
29300 |
|
9 |
/ |
/ |
/ |
35200000 |
8320000 |
293000 |
注:① 每点应至少采样3次。
② 本标准不适用于表征悬浮粒子的物理、化学、放射及生命性。
③ 根据工艺要求可确定1~2粒径。
④ 根据要求粒径D的粒子最大允许浓度由下式确定(粒径0.1μm~5μm)
式中N为洁净度等级在1~9级中间可以0.1为最小单位递增量插入。
国标洁净等级标准ISO- 14644与各国洁净度等级标准的比较见表五。
表五 国际标准ISO-14644与各国标准的比较表
|
国际标准 ISO-14644 |
中国标准 GB 50073 |
美国标准 FS 209E |
俄国标准 TOCT 50766 |
日本标准 TIS 9920 |
德国标准 |
|
/ |
/ |
/ |
P0 |
/ |
/ |
|
1 |
1 |
/ |
P1 |
1 |
1 |
|
2 |
2 |
/ |
P2 |
2 |
2 |
|
3 |
3 |
M1.5 |
P3 |
3 |
3 |
|
4 |
4 |
M2.5 |
P4 |
4 |
4 |
|
5 |
5 |
M3.5 |
P5 |
5 |
5 |
|
6 |
6 |
M4.5 |
P6 |
6 |
6 |
|
7 |
7 |
M5.5 |
P7 |
7 |
7 |
|
8 |
8 |
M6.5 |
P8 |
8 |
8 |
|
9 |
9 |
/ |
P9 |
/ |
9 |
注:美国联邦标准FS 209E已经停止使用
A. 收集国家和地方有关洁净室建设的政策,标准,规范
1、洁净度等级的国家标准和国际标准ISO 14644
2、“洁净厂房设计规范”GB 50073-2001
3、“电子工业洁净厂房设计规范”(修订中)
4、“制药工业洁净厂房设计规范”(修订中)
5、“医院洁净手术部建筑技术规范”GB 50333-2002
6、“实验动物环境及设施”GB 14925-2001
7、“生物安全实验室建筑技术规范”GB 50346-2004
8、“洁净室施工验收规范”JGJ 71-90
9、“电子工业洁净厂房施工及验收规范”(制订中)
10、“采暖通风与空气调节设计规范”GB 50019-2003
11、“通风与空调工程施工质量验收规范”GB 50243-2002
12、“建筑设计防火规范”(修订中)
13、“高层民用建筑设计防火规范”GB 50045-2001等。
B. 该项目的“可行性研究报告”以及上级主管部门对报告的批复意见;该项目的“设计任务书”和建设方对该项目建造的有关要求、意见和建议。
C. 该项目建厂地区的气象资料、水文地质资料和周围大气污染的环境状况。
D. 洁净室内生产工艺对净化空调的要求和必须收集的生产工艺的技术条件和有关数据、资料:
1、洁净厂房内的生产工艺设备平面布置图和设备清单,以及工艺对吊顶高度的要求。
2、工艺对洁净室内的洁净度、温度及精度、相对湿度及精度、正压、振动、噪声、照度、静电、屏蔽等要求,越具体越好。
3、洁净室内生产工艺设备的产热量、产湿量、产尘量。各设备的安装功率、效率、热转化系数和同时使用系数等。
4、洁净室内生产工艺设备的局部排风量、排放气体的性质、成份、浓度和废气排放量以及废气治理方法。
5、洁净室内生产运行的班次、运行规律、生产的最大班人数。
E. 洁净厂房的建筑和结构的情况和有关的数据
1、洁净室建筑的平面布置图、立面图、剖面图。各房间的分割、面积、名称、层高。
2、洁净室围护结构(墙、地、顶、门、窗等)的建筑材料以及其热工性能。
3、建筑结构状况、结构的承载能力,尤其是旧建筑的改造项目结构的安全十分重要。
F. 全厂冷源、热源、电源的情况及供应
1、冷热源的性质、参数和供应量。有无加湿用的蒸汽等。
2、电源的性质、参数和供应量。
G. 地方消防、环保部门对该项目建设的要求和意见。
H. 其他相关专业(给水排水、气体动力、建筑结构、强电弱电等)的要求和意见。
I. 设计时所用的设备、材料、配件的性能、参数和价格的资料。
A. 洁净室的热负荷计算(热平衡计算)
|
保温情况 |
排风情况 |
|
|
有局部排风时 |
无局部排风时 |
|
|
设备无保温 |
n4 = 0.4~0.6 |
n4 = 0.8~1.0 |
|
设备有保温 |
n4 = 0.3~0.4 |
n4 = 0.6~0.7 |
⑤ FFU的产热
表六 不同温度条件下成年男子的散热(W)、散湿(g/h)量表
|
劳动强度 |
热湿量 (W)(g/h) |
温度(℃) |
||||||||||
|
18 |
19 |
20 |
21 |
22 |
23 |
24 |
25 |
26 |
27 |
28 |
||
|
极轻劳动 |
显热 |
100 |
97 |
90 |
85 |
79 |
75 |
70 |
65 |
61 |
57 |
51 |
|
潜热 |
40 |
43 |
47 |
51 |
56 |
59 |
64 |
69 |
73 |
77 |
83 |
|
|
全热 |
140 |
140 |
137 |
136 |
135 |
134 |
134 |
134 |
134 |
134 |
134 |
|
|
散湿量 |
59 |
64 |
69 |
76 |
83 |
89 |
96 |
102 |
109 |
115 |
123 |
|
|
轻劳动 |
显热 |
106 |
99 |
93 |
87 |
81 |
76 |
70 |
64 |
58 |
51 |
47 |
|
潜热 |
79 |
84 |
90 |
94 |
100 |
106 |
112 |
117 |
123 |
130 |
135 |
|
|
全热 |
185 |
183 |
183 |
181 |
181 |
182 |
182 |
181 |
181 |
181 |
182 |
|
|
散湿量 |
118 |
126 |
134 |
140 |
150 |
158 |
167 |
175 |
184 |
194 |
203 |
|
|
中度劳动 |
显示 |
134 |
126 |
117 |
112 |
104 |
97 |
88 |
83 |
74 |
67 |
61 |
|
潜热 |
102 |
110 |
118 |
123 |
131 |
138 |
147 |
152 |
161 |
168 |
174 |
|
|
全热 |
236 |
236 |
235 |
235 |
235 |
235 |
235 |
235 |
235 |
235 |
235 |
|
|
散湿量 |
153 |
165 |
175 |
184 |
196 |
207 |
219 |
227 |
240 |
250 |
260 |
|

1. 洁净厂房内发尘源主要是人,是在厂房内操作的人员。人员的发尘量的大小与人员的动作状态和着装有关。下表是人员不同着装和不同动作的发尘量。
表七 人员不同着装和不同动作的发尘量(个/分.人≥0.5μm)
|
着装 动作 |
一般工作服 |
洁净工作服 |
|
坐不动 |
3.0×105 |
1.12×105 |
|
上身扭动 |
8.5×105 |
2.67×105 |
|
上身前屈 |
22.4×105 |
5.40×105 |
|
原地踏步 |
23.0×105 |
8.60×105 |
|
步行 |
29.2×105 |
10.10×105 |
一般情况下,穿洁净工作服进行电子工业装配生产的工人的发尘量为3~5×105个/分.人(≥0.5μm)。
2. 洁净室的建筑产尘
资料介绍实测建筑产尘量(包括墙、地、顶等围护的产尘)0.8×104个/分.m2。随着建筑材料的发展,建筑产尘量会越来越少。
由上述数据可见一个人的发尘量相当于30~50 m2的建筑产尘量。
3. 工艺设备和工艺生产过程的产尘
工艺设备和生产过程产尘与生产工艺本身有关,不同生产工艺产尘量差别很大。
据资料介绍微电动机的发尘量可为4.5~45x104个/分.台(≥0.5μm)。
F. 洁净室的风量计算(风平衡计算)
1、洁净室的送风量的计算
洁净室的送风量不仅仅能消除洁净室的总的余热,余湿以保证洁净室的温度和相对湿度;而且,洁净室的送风量还应能消除室内产生的灰尘等粒子的污染,以保证洁净室的洁净度等级。因此,洁净室的送风量应为消除余热的送风量,消除余湿的送风量和消除粒子污染的净化送风量三者之间最大的送风量为该洁净室的送风量。
在一般情况下,由于室内产尘量G很难准确,因此,在工程中都不用上述公式计算送风量。而采用断面风速法(单向流洁净室)和换气次数法(非单向流洁净室)进行净化送风量的计算。
表八 气流流型和送风量(静态)
|
空气洁净度等级 |
气流流型 |
平均风速 (m/s) |
换气次数 (次/时) |
|
1~4 |
单向流 |
0.3~0.5 |
/ |
|
5 |
单向流 |
0.2~0.5 |
/ |
|
6 |
非单向流 |
/ |
50~60 |
|
7 |
非单向流 |
/ |
15~25 |
|
8~9 |
非单向流 |
/ |
10~15 |
注:① 表中换气次数适应于层高小于4.0m的洁净室。
② 室内人员少、热源少时,宜采用下限值。
2、洁净室的新风量计算
洁净室的新风量不仅仅要补充洁净室的排风量和维持洁净室正压的泄漏风量,同时还要保证洁净室内工作人员每人每小时不小于40m3的新鲜空气量的要求。因此
表九 围护结构单位长度缝隙的渗漏风量表(m3/h?m)
|
门窗形式 压差(Pa) |
非密闭门 |
密闭门 |
单层密闭 固定钢窗 |
单层密闭 开启钢窗 |
传递窗 |
壁板 |
|
5 |
17 |
4 |
0.7 |
3.5 |
2.0 |
0.3 |
|
10 |
24 |
6 |
1.0 |
4.5 |
3.0 |
0.6 |
|
15 |
30 |
8 |
1.3 |
6.0 |
4.0 |
0.8 |
|
20 |
36 |
9 |
1.5 |
7.0 |
5.0 |
1.0 |
|
25 |
40 |
10 |
1.7 |
8.0 |
5.5 |
1.2 |
|
30 |
44 |
11 |
1.9 |
8.5 |
6.0 |
1.4 |
|
35 |
48 |
12 |
2.1 |
9.0 |
7.0 |
1.5 |
|
40 |
52 |
13 |
2.3 |
10.0 |
7.5 |
1.7 |
|
45 |
55 |
15 |
2.5 |
10.5 |
8.0 |
1.9 |
|
50 |
60 |
16 |
2.6 |
11.0 |
9.0 |
2.0 |
表十 洁净室的压差值与房间换气次数表(次/时)
|
压差(Pa) |
有外窗密封较差 |
有外窗密封较差 |
无外窗土建式 |
|
5 |
0.9 |
0.7 |
0.6 |
|
10 |
1.5 |
1.2 |
1.0 |
|
15 |
2.2 |
1.8 |
1.5 |
|
20 |
3.0 |
2.5 |
2.1 |
|
25 |
3.6 |
3.0 |
2.5 |
|
30 |
4.0 |
3.3 |
2.7 |
|
35 |
4.5 |
3.8 |
3.0 |
|
40 |
5.0 |
4.2 |
3.2 |
|
45 |
5.7 |
4.7 |
3.4 |
|
50 |
6.5 |
5.3 |
3.6 |
G. 洁净厂房空调净化系统的总冷量Q冷、加热量(其中包括新风预热量Q预热和再热量Q再热),加湿量W的计算。
空调净化系统的总冷量、总热量和加湿量随空调处理方案不同而不同。为了省电节能,设计时对空气处理方案必须进行技术经济比较和优化,选择简单、实用、节能、维护管理方便,节省投资的空气处理方案。空气处理方案确定以后,净化空调系统的总冷量Q冷;预热量Q;再热量Q;加湿量W均可在i-d图上求得。下面我们举三个典型的空气处理方案进行说明。
1、 一次回风的空气处理方案:
一次回风的空气处理方案示意图和空气处理过程的焓湿图,见图二十。
2、一、二次回风的空气处理方案
一、二次回风的空气处理方案示意图和空气处理过程的i-d图见图二十一。
3、 新风机组加干盘管加FFU的空气处理方案
该方案的示意图和空气处理过程的i-d图见图二十二。
H. 净化空调系统的水力计算
净化空调系统的水力计算包括水系统和风系统的水力计算两大部分。水系统(冷冻水和冷却水系统)的水力计算,其目的是为了进行水系统的阻力平衡(减少失调)选择管径和水泵;风系统(送风系统、回风系统、新风系统、排风系统)的水力计算主要目的是为了确定风管的管径(尺寸)和选择风机(送风机、排风机)。
系统的水力计算其实就是系统的阻力计算。

根据建筑专业提供的建筑平面图,工艺专业提供的工艺设备平面图和工艺对各洁净室的洁净度,温、湿度等环境的要求,即可进行净化空调系统的划分工作。
A. 净化空调系统的划分原则
1、洁净度,温、湿度及其精度相同或相近的洁净房间宜划为一个净化空调系统。便于洁净度和温、湿度的控制。
2、距离较近的洁净房间宜划为一个系统,可减少系统管道的长度和管道交叉。
3、有条件时可将4级、5级单向流和6级、7级、8级非单向流组成混合流净化空调系统。
4、洁净室不宜与一般空调房间合为一个系统。
5、使用规律和使用时间不相同的洁净室不宜合为一个净化空调系统。
6、产尘量大、发热量大、有害物多、噪声大的房间宜单独设计为一个系统。
7、混合后会产生剧毒、引起火灾和爆炸的房间不应合为一个净化空调系统。
8、有剧毒和易燃易爆的甲、乙类房间应单独设系统,而且应为不回风的直流系统。
9、一个净化空调系统不易过大。一般情况下,净化送风量不宜超过100,000 m3/h,否则空气处理设备过大、噪声大、送回风管道大、占空间和面积大,使用也不灵活。
10、净化空调系统划分时还应考虑到送风管、回风管、排风管以及水,电,气等管线的布置,尽量作到合理、短捷、使用管理方便,尽量减少交叉和重叠。
11、净化空调系统新风的热湿和净化处理可集中也可分散设置。
B. 工艺设备局部排风系统的划分原则
1、工艺设备的局部排风系统不宜过大,每个排风系统的排风点数不宜过多,这样排风管理调节方便,排风效果好。
2、一个排风系统不宜跨在两个或两个以上的净化空调系统。
3、混合后产生剧毒、爆炸、火灾、凝水、结晶和有害物的排风不应合为一个排风系统。
4、使用规律不同房间和设备的排风不应合为一个排风系统。
A. 净化送风和空调送风合一的送风型式,通常也称作集中式送风型式。
此方案的净化空调机组(空气处理机组AHU)集中设置在空调机房内,全部的净化空调送风均在净化空调机组内进行净化和热、湿处理,然后由庞大的送风管道将全部的送风输送到洁净室的吊顶上部,再经过设在洁净室吊顶上的终端高效过滤器或高效过滤器送风口过滤后送到洁净室内,来实现洁净室工艺生产所需要的温度、湿度、洁净度和房间的压差,洁净室的回风经回风口、回风管再接回到空调机房的净化空调机组内与新风混合后重复进行净化和热、湿处理。此方案又可分为全新风送风方案(直流系统);一次回风方案;一、二次回风方案和(MAU)加(FFU)方案等四种不同的净化空调送风型式。
这种送风方案是当前洁净室特别是非单向流洁净室应用最广泛的净化空调送风方案。这种送风方案的系统划分明确,风量和温、湿度控制调节都单一。但是洁净度级别较高、送风量较大时,存在着空调机房占面积大,送、回风管体积大占面积和占空间大,送、回风管道长,送风机的余压高,噪音大,风量输送耗电量大等问题。因此,这种送风方案较适用在低级别的非单向流洁净室的送风,对5级以上的单向流洁净室送风就不太经济合理了。
1. AHU全新风的净化空调送风方案(直流系统)
全新风净化空调送风方案是用于特殊的不允许回风的洁净室的送风方案中。如:洁净室内工艺生产类别为甲、乙类火灾危险等级或工艺过程产生有剧毒等有害物不允许回风的洁净送风系统中。其原理图和焓湿图如下。
2.AHU 一次回风的净化空调送风方案
一次回风的送风方案多用在洁净室内的发热量或产湿量很大,消除室内余热或余湿的送风量大于、等于或近于净化送风量的低洁净度等级的非单向流洁净室中。此方案的原理图和焓湿图如下:
3.AHU 一、二次回风的净化空调送风方案
为了节能、消除空气热湿处理过程中的冷热相互抵消,在洁净室净化送风量大于其消除余热、余湿的空调送风量时,最好采用一、二次回风方案,将二次混合点设计在系统送风点上,该方是最节能、最经济的送风方案。其原理图和焓湿图如下:
示意图 焓湿(i-d)图
图二十五 空调机组(AHU)一、二次回风空气处理方案示意图及焓湿图
4.MAU+RAU的净化空调送风方案
此方案多用于多个洁净室其洁净度,温、湿度要求不同,室内的产热量和产湿量也不尽相近,为了确保每个洁净室的洁净度,温、湿度及其精度的要求,就要设置多个循环机组,循环机组的送风量是净化送风量,并且在机组内设置必要的热、湿处理设备,用来补充新风机组热、湿处理的不足和保证该洁净室温、湿度精度的微调节。由于循环机组设在洁净室的吊顶上面,循环机组的送风余压相对都较小,机组体积和机组噪声、振动也较小,送回风管也比较短小;但是,要注意循环机组的凝结水排放问题,往往这种方案的问题都出在凝结水排放的处理上。此方案的新风机组设在空调机房内,这些洁净室所需的新风全部由新风机组(MAU)进行净化和热湿的集中处理。然后分配到每一个循环机组内与其回风混合。新风机组的新风量不仅仅要补充各洁净室的排风还要保证每个洁净室的正压。新风机组的热湿处理最好到某洁净室空气的机械露点上,如果将新风热湿处理点低于洁净室的机械露点作到新风不仅承担新风本身的湿负荷,而且还将洁净室的湿负荷也消除掉,此时循环机组内的表冷器可为干式表冷器。此方案的原理图和焓湿图如下:
示意图 焓湿(i-d)图
图二十六 MAU加RAU空气处理方案示意图及(i-d)图
B. 净化送风和空调送风分离的方案,此方案通常被称作半集中式或分散式的送风方案。
为了大大地节省运行时的能耗,将消除洁净室内余热、余湿的空调送风量(通常大大地小于洁净室的净化送风量),由设在空调机房内的新风机组(MAU)进行必要的净化和热湿处理,而将占总送风量50~90%的保证洁净室洁净度的净化送风量由设在洁净室附近的循环机组进行净化和补充的热、湿处理,或直接采用吊顶上的FFU(风机过滤器机组)和干盘管来解决洁净室的洁净度等级和温度的微调节。此种净化送风与空调送风相分离的送风方案,不仅可节省运行的能耗,而且大大地减少了空调机房面积,省掉了庞大的送、回风管道,降低了洁净室的空间高度。此种净化空调送风方案又可分为:空调机组(AHU)加风机过滤器机组(FFU)方案,新风机组(MAU)加循环机组(RAU)加(FFU)方案;新风机组(MAU)加风机过滤器机组(FFU)加干冷盘管(DC)方案等三种送风方案。原文链接://www.capeel.com/a-967/
1. 空调机组AHU(MAU)加风机过滤器机组(FFU)的净化空调送风方案
此方案中净化空调系统的全部热、湿负荷(洁净室内产生的热、湿负荷及新风的热、湿负荷)全部由设在空调机房内的空调机组来负担。此时,空调机组的送风量是消除本系统余热、余湿的空调送风量(其中包括全部新风和部分回风,但远远小于保证洁净室洁净度等级的净化送风量),它应能确保洁净室内的温度和相对湿度的恒定。而该洁净室的洁净度由设在洁净室吊顶上的风机过滤器机组(FFU)将净化送风量就地循环过滤来保证。此方案中应该注意的是,FFU运行过程中所产生的热量也应由空调机组来承担。此方案更适合用于在大面绩非单向流洁净室内有局部的垂直单向流的混合流洁净室中。其送风原理图和焓湿图如下:
示意图 焓湿(i-d)图
图二十七 AHU加FFU空气处理方案示意图及焓湿图
2. 新风机组(MAU)加循环机组(RAU)加风机过滤器单元(FFU)净化空调送风方案
此方案多用于多个洁净室其洁净度,温、湿度要求不同,室内的产热量和产湿量也不尽相近,为了确保每个洁净室的洁净度,温、湿度及其精度的要求,就要设置多个循环机组,循环机组的送风量是净化送风量,并且在机组内设置必要的热、湿处理设备,用来补充新风机组热、湿处理的不足和保证该洁净室温、湿度精度的微调节。由于循环机组设在洁净室的吊顶上面,循环机组的送风余压相对都较小,机组体积和机组噪声、振动也较小,送回风管也比较短小;但是,要注意循环机组的凝结水排放问题,往往这种方案的问题都出在凝结水排放的处理上。此方案的新风机组设在空调机房内,这些洁净室所需的新风全部由新风机组(MAU)进行净化和热湿的集中处理。然后分配到每一个循环机组内与其回风混合。新风机组的新风量不仅仅要补充各洁净室的排风还要保证每个洁净室的正压。新风机组的热湿处理最好到某洁净室空气的机械露点上,如果将新风热湿处理点低于洁净室的机械露点作到新风不仅承担新风本身的湿负荷,而且还将洁净室的湿负荷也消除掉,此时循环机组内的表冷器可为干式表冷器。
当多个洁净室中有若干个1级、10级、100级等高净化级别的垂直单向流洁净室时,为了减少循环机组(RAU)的负担和送、回风管道的断面,此时循环机组仅解决该单向流洁净室的空调送风量,以保证洁净室的温度、相对湿度和洁净室的正压,而占90%以上的绝大部分送风量有设在洁净室吊顶上的FFU来负担,以保证洁净室的高洁净度级别。此方案的原理图和焓湿图如下:
示意图 焓湿(i-d)图
图二十八 MAU加RAU加FFU空气处理方案示意图及(i-d)图
3. 新风机组(MAU)加风机过滤器机组(FFU)加干冷盘管(DC)的净化空调送风方案
此方案是新风机组将新风处理到洁净室热湿比ε线与相对湿度95%线交点以下,新风机组不仅将本身的湿负荷去掉,而且还负担洁净室内产生的湿负荷,新风机组要确保洁净室所需要的相对湿度。而新风机组热处理不足部分的干冷负荷将由设在洁净室吊顶上(或夹道内)的干表冷器来补充。因干表冷器是设在FFU循环空气通过的吊顶上或夹道内,因此,干表冷所弥补的干冷负荷被循环空气带到洁净室内。
由新风机组处理过的新风用管道以最能与FFU循环空气均匀混合的方式送到洁净室的送风静压箱内。
FFU布置在洁净室的吊顶上,与新风混合的循环风经FFU被高效过滤器过滤后送到洁净室内,以保证洁净室的洁净度。FFU的规格以1200mm×600mm和1200mm×1200mm居多,其断面风速应为≥0.45m/s,余压应≥120Pa,噪声应≤50dB(A)为好。FFU的风机风量应可调,高效过滤器应可更换。干冷盘管一般由双排组成,为了减小阻力铝翅片间距≥3mm,阻力损失应为30~40Pa,循环风通过干盘管的面风速<2m/s,最好为1.5m/s。进入干盘管冷水的进水温度应高于洁净室露点温度2℃,通常称为中温冷冻水。虽然叫干盘管,但在起始运行时还可能有凝结水产生,因此干盘管还应有凝结水滴水盘和排水措施。
此方案中,洁净室的相对湿度由新风机组(MAU)来保证,洁净室的温度由干冷盘管来保证,洁净室的洁净度由FFU来保证。
这种MAU加FFU加DC的净化空调送风方案,目前在我国和外国的微电子(集成电路)工业、光电子(TFT-LCD、LCD、LED等)工业等大面积、高洁净度等级的洁净厂房中得以广泛应用,它具有调节方便,节能显著,适应工艺的更新换代,又大大地节省了非生产面积和非生产空间的优点。而且,随着洁净技术和洁净设备的不断发展和进步,FFU风机的效率不断提高,耗电量不断降低,整体价格不断下降,其初投资也与其他类型的送风方案基本持平,但运行费却大大节省.MAU加FFU加DC方案的原理图和焓湿图如下。
示意图 焓湿(i-d)图
图二十九MAU加FFU加DC空气处理方案示意图及焓湿图
A. 净化空调系统冷源的选择
1. 集中冷冻站和分散独立冷源的比较和选择。
大型规模化的生产工厂集中设置冷冻站,对建造投资和运行管理都是比较有利的。但是由于一些温、湿要求差别比较大供冷参数不同;运行规律、运行时间不同的洁净车间来说,在集中冷冻站基础上,就近设置分散、独立、专用的制冷机组,这对节省能源,保证参数和方便运行管理都有极大的好处。
2. 冷媒采用冷冻水还是氟立昂直接蒸发。
对于大型的工厂由集中的冷冻站供给冷冻水作为净化空调系统的冷媒较为有利。因冷冻水输送方便,输送过程冷损失较小;而且,冷冻水作冷媒对净化空调系统参数的控制、调节和维护管理也都比较有利。但是小的独立分散的制冷机组可采用水冷冷水机组,也可采用风冷直接蒸发的制冷机组。这要根据具体项目的具体情况而定。
3. 采用压缩式制冷机还是采用直燃式溴化锂吸收式制冷机。
活塞式、离心式、螺杆式制冷机都是压缩式制冷机,在净化空调设计中最多采用的还是离心、螺杆等压缩制冷机。因为其投资低,运行管理方便,但其运行耗电很高。压缩式制冷机组的冷冻水供水温度可调,最低供水温度可为4℃。但是,在供电紧张而燃气和煤供应较为方便的地区,尤其是有废热废蒸汽可以利用的场合,采用直燃式溴化锂吸收式制冷机更为经济,尤其是这种制冷机组在供冷的同时还可供热。
4. 净化空调系统冷冻水的温度的确定。
当以冷冻水作为净化空调系统的冷媒时,在一般的情况下,冷冻水的初温(表冷器冷冻水的进口温度)应比处理后空气的终温(设计计算中确定)至少要低3.5℃;如果是以冷冻方式去湿降温为目的空气处理系统,冷冻水的终温(表冷器冷冻水的出口温度)应比处理后空气的终温低0.7℃;用作干式冷盘管的冷冻水的初温(进口温度)应比洁净室内空气的露点温度至少高2℃。
B. 净化空调系统的热源的选择
1. 以冬季防冻为目的新风预热加热器的热媒最好采用电加热或蒸汽加热,一般不宜采用热水作热媒,这样预热器本身可能有被冻坏的危险。
2. 空调机组内加热器的热媒可采用热水、蒸汽或电加热,其中电加热控制灵活方便,温度控制精确度高,但运行费昂贵,一般在没有热水和蒸汽供应的地方才用电加热;用热水作热媒时不仅调节和管理方便、而且控制精度也高是加热器最常用的热媒;当温度的精度要求不高(如
℃)也可采用蒸汽作加热器的热媒。
3. 当温度的精度要求很高的时候
宜在送入洁净室的支管上设温度精度微调节的电加热器是一个可行的方法。
4. 净化空调系统的加湿比较方便、可行、经济、可靠的方法是用过热蒸汽(≥0.2MPa)作热媒采用干蒸汽加湿器进行加湿,或采用电热式或电极式加湿器。当相对湿度的精度要求不高且加湿量较大时,宜采用水来加湿,可采用淋水,湿膜或喷雾等形式。
A. 洁净室的空调负荷
洁净室的净化空调负荷由下面几部分组成:
1、室内负荷
主要包括:
① 室内作业人员的散热、散湿负荷。
② 室内照明灯具的散热负荷。
③ 洁净室围护结构(墙、顶、地、门、窗)的传热、传湿负荷。
④ 生产设备和生产过程的散热、散湿负荷。
2、洁净室新风处理的热、湿负荷。夏季是降温去湿;冬季是加热、加湿。
3、空气循环时风机(或FFU)的温升和水泵的温升负荷。
B. 洁净室的空调负荷特点
1、高级别洁净室(100级,10级,1级)是垂直单向流洁净室,其送风机的风量非常大,高达400~500次/h换气,而且风机的压头也很高,一般多在1000~1500Pa,因此风机温升的负荷大。按理论计算:在集中送风方式的系统中,风机的温升为1.5℃,仅此一项的负荷就是500~700W/m2;如果采用FFU送风方式,风机温升的负荷也要250~350 W/m2。因此,风机温升的负荷大是其一个负荷特点。
2、服务于微电子和光电子的高级别洁净室因工艺排风量大,所以新风量也很大,新风量一般在10~20次/h换气;因此,处理如此多新风的负荷大约为400~800 W/m2;个别工艺的排风量更大,固新风负荷也还会更大。因此新风负荷大是其第二个负荷特点。
3、生产设备和生产过程的散热、散湿负荷大,是高级别洁净室的第三个负荷特点。生产负荷的大小是与工艺生产本身的性质、生产设备的密闭、保温、通风以及水冷却的情况有关。
4、围护结构的传热、照明灯具的散热以及作业人员的发热这三项负荷相对比较小,三项负荷之和还不足总空调负荷的10%(其中:照明负荷大约25~30 W/m2;围护结构负荷大约20~30 W/m2;作业人员负荷大约10~15 W/m2),这是高级别洁净室第四个负荷特点。
C. 洁净室空调净化系统的节能措施
研究高级别洁净室的空调净化系统节能,应首先从分析其空调负荷特点入手,抓住空调负荷中的主要矛盾,才能事半功倍。从前面可知,高级别洁净室空调负荷中占90%以上的负荷是:新风负荷、风机温升负荷和工艺设备和工艺过程负荷三项。这是它的主要矛盾。
1、降低新风空调负荷的节能措施
① 减少排风量。改进工艺和工艺设备,尽可能不排风,少排风。采取密闭式排风罩在同等的排风效果下尽量减少排风量。
② 减少正压漏风量。加强洁净室围护结构的密封性,既能保持洁净室必要的正压值,又可减少所需的正压漏风量。
③ 提高新风空气处理设备的效率。
2、降低风机温升负荷的节能措施
① 在确保洁净室洁净度的前提下,尽量减少送风量,尽量用局部高净化来替代全面高净化。
② 加强空调设备和空调系统的密闭性,减少漏风量。
③ 采取净化送风与空调送风分离的送风方案,使90%的净化送风量就近循环以减少风机温升负荷。
④ 采用FFU加新风机组加干盘管的送风方式以减少风机温升负荷。
⑤ 提高风机效率,采取变频措施。
3、工艺设备和工艺过程的发热是工艺生产本身的问题,只能依靠工艺自己来解决。
4、除上述措施之外,还可采取如下措施
① 加强水管和风管的保温。
② 减少冷热源的跑、冒、滴、漏。
③ 采取热回收,充分利用废热。
④ 尽量利用天然能源作空调系统的预冷和预热,如:太阳能、地下水、土壤能等。
⑤ 利用蓄冰和蓄热等优惠政策。
A.过滤器的分类:按过滤器的性能(效率、阻力、容尘量)进行分类,根据我国有关规范可将过滤器划分为粗效、中效、高效、亚高效、高效和超高效六大类。见表十一、表十二。
根据我国“空气过滤器”GB/T 14295-93国家标准划分
表十一 空气过滤器的效率和阻力
|
性能指标 性能类别 |
额定风量下的大气尘计数效率 (%) |
额定风量下的初阻力(Pa) |
|
粗 效 |
20~80(≥5.0μm) |
≤50 |
|
中 效 |
20~70(≥1.0μm) |
≤80 |
|
高中效 |
70~90(≥1.0μm) |
≤100 |
|
亚高效 |
95~99.9(≥0.5μm) |
≤120 |
根据我国“高效空气过滤器” GB 13554-92国家标准划分。
表十二 高效过滤器和超高效过滤器的效率和阻力
|
性能指标 性能类别 |
额定风量下的大气尘计数效率 (%) |
额定风量下的初阻力(Pa) |
|
A 高效 |
额定风量下的钠焰效率≥99.9 |
≤190 |
|
B 高效 |
额定风量和20%额定风量的钠焰效率≥99.99 |
≤220 |
|
C 高效 |
额定风量和20%额定风量的钠焰效率≥99.999 |
≤250 |
|
D 超高效 |
额定风量和20%额定风量的计数效率(≥0.1μm)≥99.999 |
≤280 |
我国过滤器分类与欧美国家分类的比较表,见表十三。

B.各类过滤器效率的测试方法
对于空气过滤器的效率而言,相同的过滤器其效率的测试方法不同它们的效率的值也不相同,因此使用过滤器时不仅仅要了解其过滤效率,而且还要知道它们效率的测试方法。
1, 一般通风用粗效、中效、高中效过滤器效率的测试方法
● 计重法:有人工尘计重法和大气尘计重法,此方法源于美国,国际流行,多用于粗效过滤器的效率测试。
● 比色法:源于美国,国际通行,用于中效过滤器的效率测试。
● 人工尘计数法:欧洲通行,将取代比色法,用于中效测试。
● 大气尘计数法:我国的标准。见表9.
2, 高效过滤器测试方法
● 钠焰法:中国标准。
● DOP法:源于美国,国际通行。
● 油雾法:俄国标准,在德国和我国也通行。
● MPPS法:欧洲标准将取代上述各种方法(最低透过率粒径法)。
C. 各类空气过滤器的功能和作用
各种过滤器都具有一定的功能,都不是万能的。它的功能就决定了它的作用和使用范围。对其选用正确,使用合理,它们就能充分发挥功能,起到应起的作用;如果选用不当,使用不合理,不仅不能发挥其作用,有时还会产生相反的后果。它们的功能和作用如下:
● 粗效过滤器:其功能是去除≥5μm的尘埃粒子,在空调净化系统中作为预过滤器。其作用是保护中效.高效过滤器和空调箱内的其他配件以延长它们的使用寿命。
● 中效过滤器:其功能是去除≥1.0μm的尘埃粒子,在空调净化系统中作为中间过滤器。其作用是减少高效过滤器的负荷,延长高效和空调箱内配件的使用寿命。
● 高中效过滤器:其功能是去除≥1.0μm的尘埃粒子,在空调净化系统中作为中间过滤器,在一般通风系统中可作为终端过滤器。
● 亚高效过滤器:其功能是去除≥0.5μm的尘埃粒子,在空调净化系统中作中间过滤器,在低级净化系统中可做终端过滤器使用。
● 高效过滤器:是空调净化系统中的终端过滤器,它的功能是去除≥0.3μm的尘埃粒子,达到净化目的。是洁净室必备的净化设备。
● 超高效过滤器:其功能是去除≥0.1μm的尘埃粒子,是建造高级别洁净室(0.1μm洁净室)的必备净化设备,是该洁净室的终端净化设备。
(二)、空气处理机组的选择
空气处理机组包括空调器(AHU)、新风机组(MAU)和循环机组(RAU),都是空调净化系统常用的空气热湿交换和空气净化处理设备。
A.工业洁净室用空调机组
工业洁净厂房的空气处理机组是服务于净化空调系统的,因此空气处理机组也必须满足净化空调所需的特点。
1,洁净厂房的温、湿度和洁净度要求严格,一般情况室内热负荷很大、空气处理的焓差很大、冷却后的空气的露点温度很低,因此空气处理机组的保温性能要好(保温材料为聚苯乙烯或聚氨脂发泡时保温层厚度≥40mm),防止表面结露,冷耗过大;同时还应避免冷桥现象的产生。
2. 因净化空调系统总阻力较大,故要求空调机组的风机压头很高(≈1500Pa),因此随之要求空调机组围护板壁的强度和刚度要好,不要产生负压段凹进去,正压段凸出来的变形。
3. 为了减少冷损失和漏风,则要求空调机组的密封性能好,特别是段与段的联接处和门开启处的密封。按标准要求空调机组的漏风率≤1%。
4 为了保证洁净厂房的温、湿度和洁净度,并且尽量节省能量,要求空调机组有较好的自动控制,如风机的变频等。又因为空气的冷、热、湿处理的功能较多,故空调机组体形较大、长度较长。
B.生物洁净室用空调机组
生物洁净室是以微生物(细菌、病毒等)为主要研究对象的,微生物与尘埃粒子不同,它是活的、不断生长繁殖的粒子,因此服务于生物洁净室的空气处理机组应具备如下特点:
1. 为了方便灭菌、消毒、空调机组的内表面以及内部的零配件应耐消毒药品的腐蚀,表面要光洁。
2. 因为潮湿是微生物生长的最佳条件。因此,空调机组内部不能集水集尘,结构要方便排水;表冷器凝结水应设有自动防倒吸功能,并顺利排出凝结水;更不能采用淋水段。
3. 空调机组的加湿只能采用干蒸汽加湿器(电极式或电热式蒸汽加湿器),而不能使用湿膜、超声波和高压喷雾等有水的加湿器。
4. 为了防止空气带水,空调器表冷器的断面风速V <2.0m/s。
5. 空调机组的密封要可靠,其漏风率≤1%。
6. 空调机组的强度和刚度要好,有一定的承压能力。
7. 各级(粗效、中效、亚高效)过滤器的过滤效率要高,而且最好采用一次性的抛弃型过滤器。
C, 表冷器、加热器、加湿器的选择
1. 表冷器是空调机组降温去湿的关键设备,一般表冷器由铜管和铝翅片构成。表冷器的换热面积(排数)要经计算求得,在设计中,设计人员要把空气经表冷器处理前后的参数(温度、相对湿度或焓)以及冷冻水的供回水温度提供给供货商,由供货商计算和配置表冷器。表冷器后面要设挡水板,表冷器下部设滴水盘,凝结水排水要通畅,排水管上要合理地设置水封。水封的高度要与空调器内的压力相匹配。
2, 加热器是空调机组中的加热设备。在空调机组中有一次加热(预热)和二次加热(再热)两组。加热的热媒有蒸汽、热水和电。
a. 一次加热(预热)器设置在新风进入空调机组处,其目的是为了防冻和防混合结霜、结雾。因此,一次加热器一般用在北方(长江以北)较冷的地区。长江以南不会结冻的地区可不设一次加热器。一次加热后的新风温度一般为+5℃。用加热器后的温度探头来控加热量。一次加热的热媒最好是蒸汽和电,如果用热水做热媒要考虑加热器本身的防冻问题。
b. 二次加热(再热)器设在表冷器之后,设置目的是为了调节洁净厂房内的温、湿度以达到设计参数。因为,二次加热量越小就越节省空调的运行费用,故在设计时要选择二次加热量较小的节能方案。二次加热的热媒最好用热水,因为热水在温、湿调节时比较稳定可靠。
c. 当洁净厂房的温、湿度精度要求极高和非常严格时,为了确保其参数有时在风管上还要设置微调的电加热器。
3, 加湿器是空调机组中的加湿设备,在冬季时为了保证洁净厂房内必要的相对湿度,必须对空调送风进行必要的加湿。
加湿器一般有两种,一种是以水为加湿源的等焓加湿。如湿膜、淋水、超声波、高压喷雾等加湿器。这种加湿方法简单、价格便宜,加湿量也大,但其加湿的精度较差。一般相对湿度要求在 >10%的情况下用得较多。水加湿的方法不应用在生物洁净室。因为,水加湿会给微生物提供良好生存繁殖条件。
另一种加湿方法是以蒸汽为加湿源的等温加湿。如蒸汽加湿器、干蒸汽加湿器、电极式(电热式)蒸汽加湿器等。这种加湿方法必须有蒸汽源,如果没有蒸汽必须用电来产生蒸汽。此种加湿方法价格较高,但加湿精度很高,当相对湿度要求≤±5%时应采用等温加湿方法。它广泛应用在电子工业的洁净厂房和生物洁净室的加湿中。
4, 淋水室和化学过滤的应用
① 淋水室是空调热湿交换的空气与冷媒直接接触的方式。此种淋水形式不仅可用于热湿交换上,还可以对新风进行品质上的处理。例如,集成电路用的洁净厂房其污染源不仅仅是尘埃粒子,而且,重金属离子和分子级低浓度的化学污染也成为超大规模集成电路生产的重要污染源,当净化空调系统的新风采用淋水室的湿法处理时,可以去除新风中的NH4、SO4、NO3等分子级的化学污染,当采用自来水和纯水两级淋水时其效果会更好。
② 活性碳过滤器和化学过滤器是空调机组中去除异味和分子级低浓度的化学污染的重要设备,一般多用在新风机组中。
洁净厂房的噪声按国家规范“洁净厂房设计规范”(GB 50073-2001)的规定,单向流洁净室空态噪声≤65dB(A);非单向流洁净室空态噪声≤60dB(A)。这就要求在净化空调系统的送风、回风管道上(排风管道上)都要设置必要的消声设备,尤其在回风管道上。消声器的选择要进行计算。
洁净厂房的净化空调系统的消声器和消声弯头不应给净化系统带来污染。最好采用微孔板式消声器和消声弯头,也可选用其他洁净空调系统专用的阻式或抗式消声设备。
净化空调机组送风机的选择
净化空调系统的送风机设在空调机组内,其送风机应具有如下特点:
A, 有足够的余压。一般除克服机外管网系统的总阻力以外,还要考虑克服高效过滤器的终阻力和一定的安全裕量。但风机压头选得过大不但能耗大,而且还会产生较大的噪声。
B, 要有足够的送风量。即消除室内余热、余湿和净化的最大风量,并且还应有10%的的安全裕量。
C, 风机应为变频风机,送风量依系统阻力变化可以自动调节,即保证了洁净厂房内的温、湿度和洁净度又做到节省耗源。
D, 要高效率和低噪声。
A. FFU(风机过滤器单元)。
FFU是近年普通应用在单向流和混合流中的重要净化设备。它是有标准模数尺寸(1200×600mm,600×600mm,1200×1200mm等)的风机和过滤器(高效过滤器、超高效过滤器)的组合体做为洁净室的终端设备,分散或集中地布置在洁净厂房的吊顶上。为了保证洁净厂房的室内参数,它经常与干冷盘管和新风机组组合使。FFU示意图见图三十。
图三十 FFU示意图
其性能参数最好是:
1, 断面平均风速为0.45m/s,而出风速度的均匀性应为平均风速的±20%。
2, FFU的机外余压应≥100Pa,最好是140Pa以上。
3, FFU的单体噪声应≤50dB(A)。因在单向流洁净厂房中往往成百台上千台的FFU集中设在吊顶上,如果单体噪声太高,则叠加噪声就不能被接受。
4, 断面风速可调。智能化调节,变频调节都是可行的。
B、干冷盘管.
干冷盘管是新风机组加干冷盘管加FFU空调净化送风方案的洁净厂房控制温度的关键换热设备,设置在洁净厂房回风夹道的下部或上部。对其性能要求如下:
1, 为了避免在系统正常运行时干冷盘管产生结露现象,因此通过干冷盘管的进水水温要高于室内空气露点2℃。
2, 为了导走洁净厂房空调系统启动时产生的冷凝水,干冷盘管系统还要设置滴水盘和排水系统。
3, 干冷盘管的排数最好为双排,而且空气通过时阻力不能太大,因此盘管铝翅片的间距最好为3mm。
4, 为了减少空气通过盘管的阻力,通过盘管的风速应<2m/s。
1.吹淋室。
吹淋室是净化进入洁净厂房人和物的局部净化设备,它是利用高速V≥25m/s的洁净气流(经过中效和高效过滤器过滤的气流)使人的衣服抖动,将人身上附着的尘埃粒子或物品表面附着的尘埃粒吹落得到净化。吹淋室最重要的性能指标就是喷嘴的出口风速应≥25m/s。其风机的风压最好是800Pa。吹淋室有单人、双人、多人和通道式多种。吹淋室示意图见图三十一。
2. 自净器。
自净器是风机和过滤器组合的局部净化设备。将其设置在房间内,它可以使室内的空气不断地通过它的过滤器过滤而得到净化,这样往返不断地循环净化使室内的空气自净。自净器示意图见图三十二。
3.洁净工作台
洁净工作台是设在空调房间或低级别的洁净厂房内的局部净化设备,它是风机和高效过滤器的组合体,可在局部创造出100级、10级等高级别洁净度。其性能有:风机的风压和噪声(风压> 200Pa,噪声< 65dB(A)、高效过滤器的效率和断面风速(高效过滤器的效率)≥99.99%(≥0.3μm),断面风速、V≥0.35m/s)。洁净工作台示意图见图三十三。
4.生物安全柜
生物安全柜是用于P1~P4生物安全实验室中的生物净化和生物安全设备。它按使用要求不同可划分为Ⅰ级、Ⅱ级和Ⅲ级生物安全柜。生物安全柜用于对人和环境有害的病菌和微生物的实验。为了安全要做到保护实验操作人员,保护实验对象和保护周围环护的三保护。实验对象要在100级无菌环境实验;为了保护操作人员和环境生物安全柜内必须有足够的负压度。生物安全柜示意图见图三十四。
5.层流罩
层流罩也是风机与高效过滤器组合的局部净化设备,在局部区域创造100级或更高的净化环境,满足生产工艺的要求。其大小尺寸可随工艺设备的大小而定。它是设在低级别的洁净厂房之中,因此对其噪声有较高的要求,其出风的断面风速应≥0.3m/s,风机的风压应>200Pa。层流罩示意图见图三十五。

(一)建造投资费用高
高级别洁净室的建造费用很高,一般来说,100级垂直单向流的洁净室,其室内装修(墙、顶、地、门、窗等)和空调净化系统(包括制冷空调设备和管道配件、净化设备和配件等)的初投资大约为10000元人民币/m2;如果加上纯水制备设备和系统管道,纯气发生和系统管道,废水治理设备和管道,消防系统,供配电和自控系统,真空清扫系统等等,其单位面积的建造投资费用要高达25000~30000元人民币/ m2。
就拿已投产的上海华虹NEC超大规模集成电路芯片生产线洁净室举例来说,华虹NEC为月投片30000片8"硅片集成电路前工序生产线,有洁净室面积约12000m2,其中10000 m2是在中心部位,另2000 m2在边跨上。在中心部位的10000 m2洁净室中有4000 m2的1级、10级和100级的垂直单向流洁净室,另外6000 m2分别为1000级和10000级的非单向流洁净室,总送风量约6,400,000 m3/h。于1998年底建成投产。
该项目总投资约100亿人民币,其中动力设备和土建投资为20亿人民币,占总投资的五分之一。单核心部分的10000 m2的洁净室的建造费用就高达6000万美元(约5亿人民币)(日本三机株式会社施工),折合每平方米建造费用约50000元人民币/ m2。
(二)运行管理费用大
因为高级别洁净室净化风量大,新风量也大,温湿度要求严格,所以空气热湿处理和空气输配的能量消耗大,耗电多,运行费用贵。
还拿上述华虹NEC为例,其核心部分10000 m2洁净室总的送风量为6,400,000 m3/h,输送净化空气的风机耗电量为3840 Kw/h,全年电费为1659万元(每度电按0.6元/设计),空气热湿处理的耗电量约10000 Kw/h,全年电费为6000万人民币。全年空调净化系统本身的运行费用就高达7659万元人民币。折合每年单位面积的运行费用为7659元/m2年。
(三)灵活适应性强
因为,科学技术的发展很快,高科技的产品不断出现,尤其是电子工业的发展更是日新月异,像集成电路的发展2~3年就更新一代,TFT-LCD的发展速度更快1~2年就上一个台阶。这就要求为其服务的高级别的洁净室必须能适应其发展速度,有极好的灵活性和适应性。因为建造一个洁净厂房是百年大计,不是一、二年就会拆掉重建。因此,在设计和建造洁净厂房时,就要考虑到工艺的发展、变更,就要考虑到洁净厂房的灵活性和适应性。从一个洁净厂房的灵活适应角度,可将其分为三个层次,第一是不可变的部分。无论怎样改都不能改变的部分。如基础、梁、柱等结构部分;第二是可变但不容易变的部分。如洁净室的围护、装修等;第三是可变而且容易改变的部分。如动力、空气、水、气体溶剂的供给部分和废气、废水、废料等排放部分。
(四)安全、可靠性好
从前面(一)、(二)两条特点可以得出建造和使用这样的洁净室要付出何等的代价。但是为了生产出高可靠、高质量的高科技产品也必须具备这样的生产环境。因为,建造洁净室的目的是为使用,是为了得到高成品率合格产品。为了达此目的,设计和建造洁净室必须把安全可靠放在第一位。保证所建造的洁净室在洁净度、温湿度、风速、压力等所有参数必须满足生产工艺的要求,保证安全、可靠、不出事故。这一点绝不能马虎,更不能打折扣,要万无一失,只有这样才能有效益,才能达到建造洁净室的目的。
竣工验收的调试工作要分以下四个步骤进行。①调试前的准备工作。②单机试车。③联动调试。④洁净室的性能测试和综合评价。
A, 调试的组织准备:
成立以建设单位(业主)为组长的有设计单位、施工单位、监理单位人员参加的调试小组。调试小组领导调试的全面工作,调试小组协调各方面的关系,调试小组为调试工作提供各种软硬条件。
B, 编制调试大纲
在调试小组领导和组织下,编制调试大纲。调试大纲是调试工作的指导性文件。调试大纲的内容包括:组织分工、人员安排、物资调动;调试项目、调试方法、调试仪表;调试程序、调试进度、调试计划安排等。调试大纲的编制使调试人员思想明确、认识统一、步调一致、行动整齐,使调试工作顺利进行。
C, 施工现场质量的会检。
在调试小组的领导组织下,有建设单位、设计单位、施工单位、监理单位的有关领导和技术人员参加,对施工现场、施工质量进行全面会检。从冷冻站、换热站、锅炉房、变配电站、空调机房到供冷、供热、供电系统、空调净化系统和自动控制系统。从设备(冷冻机、锅炉、水泵、冷却塔、空调器等)、配件(阀门、风口、消声器等)、管道和管线到保温、设备基础、管道支吊架等的工程施工质量进行全面会检。看是否按图施工、查与设计图不符之处,找施工质量不合格项目并查其原因。并对施工、加工、安装等质量问题逐一填写“缺陷明细表”,提出整改意见,限期(正式调试之前)整改完毕。
D, 空调设备、空调系统的清扫:
1, 调试之前对洁净室进行全面、彻底的清扫是十分必要的。对洁净室的地面、墙面、吊顶、门窗进行认真、全面、彻底的大扫除(最好请专业的清洁公司);对空调设备、空调管道(送风管、回风管、新风管),空调配件(清声器、阀门、风口等)进行检查、检漏和擦试。达到洁净要求为止。
2, 安装粗效、中效过滤器进行第一次空吹。在彻底清扫的基础上,安装空调器内的粗效和中效过滤器。对整个净化空调系统进行空吹,空吹时间为24~36小时,使整个系统得到初步的净化。
3, 安装高效过滤器。系统空吹后可以安装高效过滤器。高效过滤器在安装之前,要求对其逐一进行检漏,对有泄漏者进行堵漏。检漏在临时检漏台上进行,尘源利用大气尘。被检合格的高效过滤器方能进行安装,安装完毕后对高效过滤器的安装密封再进行检漏(利用尘埃粒子计数器扫描),达到安装合格。
4, 高效过滤器安装检漏合格后再对净化空调系统进行第二次空吹。空吹时间24小时,然后方可进行入调试程序。
E, 测试仪器、仪表、工具的准备
1, 调试前要对调试中所用的仪器仪表进行调试和标定(超过使用时间还需重新进行标定)。所用的仪表包括测量风速、风量、温度、相对湿度、压差、噪声、振动、转数、时间、大气压力和洁净度的仪器仪表等。
2, 调试所用的器材、工具的准备。如:电工工具、管工工具、扳金工工具、钳工工具以及爬高上下的梯子等。并且请施工单位配合电工、管工、扳金工和钳工。
3, 调试和测试工作所用的图纸和记录表格的准备。
单机试车是对工程中的所有的设备、配件等单体进行试车。单机试车的目的是对这些设备、配件的安装质量和产品出厂质量的检查和考核。单机试车的主要内容有:
水、电先行。即首先对供水供电的设备和系统进行检查和考核。如水泵、变压器、配电箱、开关等。要保证供水、供电的正常、可靠。
进而,对供冷设备(冷冻机、冷却塔、冷冻水泵、冷却水等)、供热设备(锅炉、换热器、热水泵等)、空调设备(表面冷却器、加热器、加湿器、过滤器、风机等)、自动控制设备、仪表、阀门以及各系统的配件进行单体考核。看是否能满足设计要求和正常运行。尤其对转动设备如风机、水泵要试转看是否运转平稳,有无杂音和碰撞和反转现象;用电设备接线是否正确;冷冻机和锅炉是否能达到设计要求;空调器中表冷器的降温去湿能力、加湿器的加湿能力等等进行单体检查、考核。如果出现故障和发现问题,应立即排除。
对于大型设备如冷冻机、锅炉、空调器等(尤其是进口设备)在单机试车时最好有生产厂家的调试人员现场指导或由生产厂家负责试车,待运转正常后再移交给使用单位。单机试车为联动调试做好各个单体设备的准备工作。
联动调试一般情况下分为两个阶段进行,即风量分配阶段和联动调试阶段。
A, 风量分配:
风量分配即将各个洁净室的送风量、回风量、新风量、排风量全部按设计要求调整到设计风量。因为一个洁净厂房可能有多个空调送风系统和排风系统,或一个空调送风系统要负担多个洁净室的送风。因此,风量分配调试工作是一项工作量大、时间长、耐心细致的工作。风量分配调试工作也是整个调试工作的重点工作。常用的风量分配调试方法采用标准风口法。
标准风口法:一个洁净室可能有几个、几十个空调送风口、回风口。因为它们之间都是相通的,当调整某一个风口送风的风量时其他送风口的风量也会跟其变化。因此,采用标准风口法。
所谓标准风口法,就是在风量分配之前,将所有阀门都开到最大的情况下,在所有的送风口这中找到最不利的送风口(送风量最小的送风口),将此风口作为标准风口。在标准风口上设一监测仪表,随时测试标准风口的风量变化。然后调整其它所有风口风量。因为调整任何一个风口风量时,都会影响已调整过的风口的风量的变化;因此,在调整任何一个风口风量时,都要以标准风口当时风量为参照风量,使所有被调风口的风量均随标准风口的风量变化而同步变化。
当一个净化空调系统负责多个洁净室空调时,调试要以洁净室为单位由末端向总干管方向进行,对各洁净室首先调整其送风量的相对关系量,然后,再用系统的总阀门来将每个送风口,每个洁净室的送风量都调整为真实的设计送风量。
B, 联动调试
联动调试在风量调整和单机试车后进行。联动调试就将净化空调系统和为净化空调系统服务的所有系统即:供冷系统(冷冻机、冷却塔、水泵以及供冷系统上所有的配件)、供热系统(锅炉、水泵以及供热系统上所有配件)、供电系统(配电箱、变频器……)和自动控制系统全部投入运行,考核各系统的综合性能和联动性能。必要时,在洁净室内人为的设置一定量的负荷,考核温、湿度探头、中间仪表和执行机构的联动是否敏感、协调;考核温、湿度探头是否准确,精度是否合格。
在风量调整和联动调试的基础上,洁净室空调净化系统以及为其服务的所有系统,均处于正常运行状态。接着进行洁净室的性能测试和综合评价。
A, 洁净室的性能测试:
洁净室性能测试内容包括:
洁净度测试、风量测试、正压测试、风速测试(单向流洁净室 )温度、相对湿度测试、噪声测试等。
1, 洁净度测试:采样点布置在工作面上(0.8~1.0m),采样点数量N=A1/2(A是洁净室面积‘m2’)。尘埃粒子计数器的采样量要大于1升/分;每个采样点连续有效采样三次。取其平均值做该点的测量值。全部测点的测量值的平均值作为洁净室的洁净度。
2, 风量或风速测试:单向流洁室测量断面风速、非单向流洁净室测其风量。
断面风速的测量:距吊顶上送风高效过滤器(HEPA)300mm处布置测点,测点间距为600mm,用热球风速仪测其各点风速。
风量测试:在送风管或送风口上测送风风量。方法是用比托管和微压差计,测风管内各点的动压,测点间距为100mm。再计算送风量。
3, 正压测试:在关门的状态下,测洁净室的正压。采用补偿式微压计测量。
B, 洁净室的综合评价。
在对洁净室性能测试的基础上,根据对洁净室洁净度、温、湿度、正压、风量、噪声等测试结果,对洁净室的建设和性能进行竣工验收的综合评价。
洁净室性能测试的目的主要有两项:其一是为了洁净室的竣工验收,其二是为了检查洁净室的运行是否正常。
1、 净室竣工验收的性能测试
根据(洁净室施工及验收规范)和(洁净厂房设计规范)的要求,洁净室竣工验收分两步进行,第一步是竣工调试和性能测试,第二步是洁净室性能的综合评价。洁净室性能的综合评价是洁净室工程竣工验收的重要环节,而洁净室性能测试又是洁净室性能综合评价的基础。洁净室性能测试所需要测试的项目以下:
①通风机的风量和转数;
②风量及其平衡;
③室内静压及其调整;
④自控系统的联动;
⑤高效过滤器的检漏;
⑥室内的洁净度;等六项。其中主要三项是,洁净度,风量和室内静压。
2、洁净室运行状态下的定期性能测试
根据(洁净厂房设计规范)的要求,因生产的复杂性和维护管理工作的主,客观原因造成洁净室性能的下降,必须对洁净室进行定期的性能测试,检测的频数见下表。
表十四 洁净室性能测试的内容和频数
|
洁净度等级 项目 |
1~3 |
4、5、6 |
7 |
8、9 |
|
温度 |
循环监测 |
每班二次 |
||
|
湿度 |
循环监测 |
每班二次 |
||
|
压差值 |
循环监测 |
每周一次 |
每月一次 |
|
|
洁净度 |
循环监测 |
每周一次 |
每3个月一次 |
每6个月一次 |
|
风量 |
循环监测 |
不得超过12个月 |
||
表十五 洁净室检测内容
|
序号 |
测试项目 |
JGJ71-90规定 |
GB50073-2001规定 |
||
|
低于100级 |
100级 |
1000级及以下 |
|||
|
1 |
室内送风量,系统总风量,室内排风量, |
检测 |
检测 |
||
|
2 |
静压差 |
检测 |
检测 |
||
|
3 |
风速和风量 |
检测 |
不测 |
检测 |
|
|
4 |
断面风速不均匀度 |
检测 |
必要时测 |
不测 |
未规定 |
|
5 |
洁净度级别 |
检测 |
检测 |
||
|
6 |
浮游菌和沉降菌 |
必要时测 |
选测 |
||
|
7 |
室内温度和室内相对湿度 |
检测 |
选测 |
||
|
8 |
温湿度波动范围和区域温差 |
必要时测 |
未规定 |
||
|
9 |
室内噪声级 |
检测 |
选测 |
||
|
10 |
室内倍铎程声压级 |
必要时测 |
选测 |
||
|
11 |
室内照度及其均匀度 |
检测 |
选测 |
||
|
12 |
室内微振 |
必要时测 |
必要时测 |
||
|
13 |
表面导静电性 |
必要时测 |
必要时测 |
||
|
14 |
室内气流流型 |
不测 |
必要时测 |
选测 |
|
|
15 |
流线平行度 |
检测 |
必要时测 |
不测 |
必要时测 |
|
16 |
自净时间 |
不测 |
必要时测 |
必要时测 |
选测 |
|
17 |
过滤器安装检漏 |
未规定 |
选测 |
||
|
18 |
污染泄漏 |
未规定 |
选测 |
||
1、风压测试仪器:主要用于测定洁净室之间和洁净与非洁净区之间微压差,也可利用压差法测量风速,计算风量。
①液体压力计:液体压力计具有使用方便、价格低廉、精确度较高、制造安装方便等优点,但有测量范围受限制、玻璃管易碎等缺点。
常用的工作液体有:酒精、水、水银等,在洁净室测量中主要是酒精和水。
液体压力计主要有:U型管压力计、斜管压力计、补偿式压力计。
②弹簧压力计:弹簧压力计是根据弹簧元件在所测压力作用下发生变形,其变形量与所测压力成函数关系这一原理制成的,其优点是构造简单、便于携带、安装方便、价格低廉。
常用的弹簧压力计主要有:弹簧管压力计、膜片管压力计和膜核压力计。
③电学压力计:电学压力计是利用压电原理或高压下电阻变化等电学方法来测定压力的压力计,适用于测量变化极快、数值很高或近乎绝对真空时的压力。
2、风速和风量测试仪器:
① 风速测量仪的作用原理有:机械式、散热率式和动力测压式等。
a.机械式风速仪:如翼形风速仪,它是利用流动气体的原动压推动机械装置来显示其流速的仪表。
b.散热率式风速仪:是根据流体中受热物体的散热率与流体流速成正比关系制成,测定传感器的散热率,即能测到流体的流速。
常用的散热率式风速仪有:热线风速仪和热球风速仪等。
②风量测量仪:在洁净室中总风量的测试常用风管法,各房间送回风量多用风口法进行测量,其原理为平均风速乘以断面面积。
③洁净度测试仪:
a.尘埃粒子的检测仪表:目前洁净室洁净度的检测主要用光散射尘埃粒子计数器,它又分为白只光尘埃粒子计数器和激光尘埃粒子计数器。
它的原理是利用空气中的微粒对光线的散射现象,将采样空气中的微粒的光脉冲信号转换为相应的电脉冲信号来测定微粒的颗粒数,利用微粒的光散射强度与微粒粒径的平方成正比的关系来测量微粒粒径的大小。
b.生物粒子的检测仪表:目前生物粒子的检测方法主要有采用培养基法和滤膜法,所用的仪器分浮游菌采样器和沉降菌采样器。
浮游菌采样器主要有:固体撞击式采样器、离心式空气微生物采样器、气旋式微生物采样器、液体冲击式微生物采样器、过滤式微生物采样器和大容量静电沉降采样器等。
沉降菌采样器主要有:高压消毒锅、恒温培养箱和培养皿等。
④温度测试仪:通称温度计,按其作用原理可分为膨胀式温度计、压力式温度计、热电偶温度计和电阻温度计。
a.膨胀式温度计:分固体膨胀式温度计和液体膨胀式温度计。
b.压力式温度计:可分为充气压力计式温度计和充蒸汽压力计式温度计。
c.热电偶温度计:是根据热电效应原理制成的,当两种不同金属节点温度不同时就会有电动势,如已知一点温度,测出电动势就可推算另一点的温度。
d.电阻温度计:基于某种金属及其合金或半导体的电阻会随温度变化而变化,精确地测定电阻就会测出温度。
电阻温度计的优点有:精确度灵敏度高、反应快;测温范围宽;不需冷节点补偿;可用于远距离温度测量。
⑤湿度测试仪:湿度测试仪按其原理可分为干湿球温度计、毛发温度计、电温度计等。
⑥噪声测试仪:噪声测试仪它的原理是用电容式传声器将声能变为电能,再经放大器、检波器等一系列处理,最后给出声压值。
⑦照度测试仪:常用的便携式照度计它的原理是用一种光敏元件做探头,当有光照时就会产生光电流,光线越强光电流越大,测量电流时就可测出照度。
1.风量和风速的测量
①.测试前的准备工作:
测试前首先检查风机运行是否正常,系统中各部件安装是否正确,有无障碍,所有阀门的开启位置是否正确并且固定可靠。
② 单向流洁净室风量的测定:
垂直单向流洁净室和水平单向流洁净室的风量是采用断面平均风速和断面面积的乘积来计算的,断面的选取和断面上的测点布置见下表。
表十六 施工验收规范JGJ71和设计规范GB50073的比较
|
内 容 |
施工验收规范JGJ71 |
设计规范GB50073 |
||
|
垂直单向流 |
垂直单向流 |
垂直单向流 |
水平单向流 |
|
|
测定断面的选取 |
距地面0.8m |
距送风面0.5m |
距高效过滤器0.3m |
|
|
测点的布置 |
间距不大于2m均匀布置 |
间距不大于0.6m均匀布置 |
||
|
最少测点数 |
10点,算数平均 |
5点,算数平均 |
||
|
测定仪器 |
热球风速仪 |
未作具体规定 |
||
|
评定标准 |
应大于设计风速,且不超过20% |
1~4级 |
0.3~0.5 |
|
|
不均匀的均方根差不大于0.25 |
5级(100级) |
0.2~0.5 |
||
③ 非单向流洁净室风量的测定:
非单向流洁净室风量的测定可采用风管法和风口法
a. 风管法测风量:
风管法测风量中风管测定断面应选择气流比较均匀稳定地方,且与局部阻力的距离,测定断面在局部阻力前时不小于3倍风管管径长度,测定断面在局部阻力后时不小于5倍风管长边长度。
对于矩形风管将测定断面分成若干个相等的小截面,尽可能接近方形,边长应不大于200mm。测定点在小截面的中心。整个测定断面的测点数不少于3个。
对于圆形风管将测定断面分成若干个面积相等的同心圆环,每个圆环上设4个测点,4个测点应在相互垂直的两条直径上。
图三十六 矩形风管的测点布置 图三十七 圆形风管的测点布置
b. 风口法测风量:
在施工验收规范JGJ71中规定了两种方法:其一是对于有过滤器的风口,可根据风口形式选用与风口断面相同的辅助风管,其长度为两倍风口的边长,连接于被测风口外部,在辅助风管的出口面上,最少布置6个测点,用热球风速仪测个点风速,再用断面平均风速乘以风口净面积来计算风量。其二是对于有同类扩散板的风口,可根据扩散板的风量阻力曲线和实测扩散板阻力来查出风口的风量。
④风量测定结果的判定:
a. 实测风量应大于设计风量,但不应超出20%。
b. 实测新风量与设计新风量之差不应超出10%。
c. 实测个风口风量与设计风量之差不应超出15%。
2.洁净度的测定:
①.在施工验收规范JGJ71中规定如下:
a. 最低采样点数见下表,每个测点最少采样机3次。
表十七 最低采样点数表
|
面积(m2) |
洁 净 度 |
|||
|
100级和高于100级 |
1000级 |
10000级 |
100000级 |
|
|
小于10 |
2~ 3 |
2 |
2 |
2 |
|
10 |
4 |
3 |
2 |
2 |
|
20 |
8 |
6 |
2 |
2 |
|
40 |
16 |
13 |
4 |
2 |
|
100 |
40 |
32 |
10 |
3 |
|
200 |
80 |
63 |
20 |
6 |
|
400 |
160 |
126 |
40 |
13 |
|
1000 |
400 |
316 |
100 |
32 |
|
2000 |
800 |
633 |
200 |
63 |
b. 测定洁净度的最小采样量按下表:
表十八 最小采样量表(L)
|
洁净度级别(级) |
粒 径(mm) |
||||
|
0.1 |
0.2 |
0.3 |
0.5 |
5.0 |
|
|
1 |
17 |
85 |
198 |
566 |
|
|
10 |
2.83 |
8.5 |
19.8 |
56.6 |
|
|
100 |
|
2.83 |
2.83 |
5.66 |
|
|
1000 |
|
|
|
2.83 |
85 |
|
10000 |
|
|
|
2.83 |
8.5 |
|
100000 |
|
|
|
2.83 |
2.83 |
c. 对于单向流洁净室采样口应朝着气流方向。对于非单向流洁净室采样口宜朝上。采样速度尽可能接近室内气流速度。即(等速采样)。
测点的布置原则:每层不少于5个测点,多于5点时可分层布置。测点布置在距地0.8m高的对 角线上。
② 洁净度测定结果的判定:
a. 如实测状态(空态,静态,动态)与事先约定的状态相同,以其洁净度级别上限作为评定标准。
b. 如实测状态为空态或静态,则动态时的粒子数肯定会高,有时可用空态粒子数的5~10倍来估算动态时的尘埃粒子数。
3.微生物粒子的测定:
①.采样点的布置和要求:
a. 浮游菌测定时,其采样点位置可以与悬浮粒子测定点的布置相同。测点距离地面0.8~1.5m,送风口测点位置距送风面30cm左右。根据需要可在关键部位增加测点。测点布置要均匀。见下表:
表十九 浮游菌测定最少采样点数表
|
面积(m2) |
洁 净 度 |
|||||
|
100级 |
10000级 |
100000级 |
||||
|
验证 |
监测 |
验证 |
监测 |
验证 |
监测 |
|
|
小于10 |
2~ 3 |
1 |
2 |
1 |
2 |
- |
|
10~20 |
4 |
2 |
2 |
1 |
2 |
- |
|
20~40 |
8 |
3 |
2 |
1 |
2 |
- |
|
40~100 |
16 |
4 |
4 |
1 |
2 |
- |
|
100~200 |
40 |
|
10 |
|
3 |
- |
|
200~400 |
80 |
|
20 |
|
6 |
- |
|
400 |
160 |
|
40 |
|
13 |
- |
b. 沉降菌测定时,其采样点位置可以与悬浮粒子测定点的布置相同。测点距离地面0.8~1.5m。根据需要可在关键部位增加测点。测点布置要均匀。对于沉降菌法不仅仅满足于最少采样总数,还需满足最少采样培养皿总数。见下表:
表二十 沉降菌测定最少采样点数表
|
面积(m2) |
洁 净 度 |
||
|
100级 |
10000级 |
100000级 |
|
|
小于10 |
2~ 3 |
2 |
2 |
|
10~20 |
4 |
2 |
2 |
|
20~40 |
8 |
2 |
2 |
|
40~100 |
16 |
4 |
2 |
|
100~200 |
40 |
10 |
3 |
|
200~400 |
80 |
20 |
6 |
|
400~1000 |
160 |
40 |
13 |
|
1000~2000 |
400 |
100 |
32 |
|
2000以上 |
800 |
200 |
63 |
表二十一 沉降菌测定最少培养皿数表
|
洁净度等级(级) |
90培养皿数(以沉降0.5h计) |
|
高于100 |
44 |
|
100 |
14 |
|
1000 |
5 |
|
10000 |
2 |
|
100000 |
2 |
浮游菌测定法最小采样量应按不同洁净度等级来确定。见下表
表二十二 浮游菌测定法最小采样量表
|
洁净度等级(级) |
采样量/L?次 |
|
|
日常监测 |
环境验证 |
|
|
100 |
600 |
1000 |
|
10000 |
400 |
500 |
|
100000 |
50 |
100 |
② 微生物粒子测定方法:
a. 浮游菌的测定法
首先,要对测定仪器,培养皿,采样器等进行消毒灭菌,采样口和采样管在使用前必须用高温灭菌。
第二,采样者应穿与洁净室等级相应的洁净服,放入或调换培养皿前,双手要用消毒剂消毒。
第三,仪器消毒后放入培养皿前,先开动真空泵抽气,使仪器中的残存消毒剂蒸发,时间不小于5min。
第四,关闭真空泵,放入培养皿,盖好盖子后调节采样器。
第五,置采样口于采样点,依次开启采样器,真空泵,转动定时器并根据采样量选定采样时间。
第六,采样结束后,将培养皿置于30~50oC恒温培养箱中,时间不小于48小时。
第七,用肉眼计数,然后用5~10倍的放大镜检查,是否有遗漏。
b. 沉降菌的测定法
首先,要对测定仪器,培养皿等进行严格的消毒灭菌,在37oC恒温培养箱中,进行不小于48小时的培养和观察,确认无菌后方可使用。
第二,一般采用90mm的沉降平皿,注入20mL培养基,放在测点处,开盖暴露30min,将培养皿盖盖上倒置,然后在30~35oC恒温培养箱中,进行不小于48小时的培养并用肉眼计菌落数,并记录生成的菌落数,然后用5~10倍的放大镜检查,是否有遗漏。
4.静压差的测定:
①.静压差的测定要求:
首先,静压差的测定是洁净区内所有的门全关闭状态下进行的。
第二,应从洁净度高到洁净度低的房间顺序进行,一直到直通室外的房间。
第三,测管口设置在室内不受气流干扰的地方。
第四,所测数据应精确到1.0Pa。
② 静压差的测定步骤:
首先,是将洁净区内所有的门全处于关闭状态下。
第二,用微压差计测量洁净室之间,洁净室和走廊之间,走廊与外界之间的压差。
第三,记录在案
③ 静压差测定用的仪器:
静压差测定一般采用的仪器为YJB-150型补偿式微压计,倾斜式压力计,精密指针式压力计或灵敏度小于1.0Pa的其它压力计。
④ 合格标准:
首先,不同级别的洁净室(区)与非洁净室洁净室(区)之间的静压差应不小于5Pa。
第二,洁净室(区)与室外的静压差应不小于10Pa。
第三,对于洁净度等级严于5级的单相流洁净室在开门时,门内0.6m处室内工作面的含尘浓度应不大于相应级别的含尘浓度限值。
5.温度和相对湿度的测定:
①温湿度的测定要求
首先,温湿度测定前,净化空调系统应连续运行48h以上。
第二,应根据温湿度的精度范围,选择有足够精度的测定仪表,并经过校验标定合格。
②温湿度的测定方法:
第一,温湿度的测点应距离地面0.8m,距离外墙0.5m。
第二,应根据温湿度的精度范围的要求,测定宜连续运行8~48h,每次读数间隔不大于30min。
第三,对于没有恒温要求的房间,其温度只测房间中心一个点即可。
第四,对于有恒湿要求的房间或区域,测点应放在送,回风口处或具有代表性的点。
③ 合格标准:
有90%以上的测点其温度的偏差值在室温要求的范围内,为符合设计要求,反之为不合格。
6.照度的测定:
① 照度的测定要求
室内照度的测定必须在室温稳定,光源光输出稳定后再进行测定。
②照度的测定方法:
第一,照度的测点应距离地面0.85m,按间距1~2m布点,测点距离墙1m。
第二,记录实测值并计算总的平均照度。
第三,照度测定一般是不含局部照明以外的一般照明。
③ 合格标准:
应符合设计要求,根据(洁净厂房设计规范)的要求,洁净室内一般照明的均匀度不应小于0.7。
7.噪声的测定:
① 噪声的测定方法:
当房间的面积不大于50m2时,仅测定房间中心一个点。当房间的面积较大时,每增加50m2增加一个测点。测点距离地面1.0m。当有条件时,宜测房间静态工况的噪声和本底噪声。
② 合格标准:
应符合设计要求,根据(洁净厂房设计规范)的要求,洁净室空态情况下非单向流洁净室的噪声不应大于60dB(A)。单向流和混合流洁净室的噪声不应大于65 dB(A)。
8.自净时间的测定:
①自净时间的测定方法:
以大气尘为基准测定时,洁净房间必须停止运行一段时间,待空气中含尘浓度接近大气含尘浓度时,然后开机,直到含尘浓度达到最低稳定值为止,其所需要的时间为自净时间。
以人工尘(香烟,巴兰香等)为基准测定时,在洁净室中央距离地面1.8m的高度发烟1~2min
即停止,再稳定1~2min,然后开机,直到含尘浓度达到最低稳定值为止,其所需要的时间为自净时间。
9.安装后过滤器的检漏:
①检漏要求:
被检过滤器应检测过风量并在设计风量的80%~120%条件下运行。
被检过滤器上游的粒子浓度被检过滤应满足下列要求:对受控粒径≥0.5μm的浓度,应不小于3.5x104pc/L
对受控粒径≥0.5μm的浓度,应不小于3.5x104pc/L
②检漏方法:
用粒子计数器对安装的接缝和主断面进行扫描检漏。检漏点应距离被检表面20~30mm。扫描的速度5~20mm/s, 扫描检漏的部位为过滤器整个断面,封头胶,安装框架等处。扫描检漏用的粒子计数器的最小采样量应大于1L/min。
③ 合格标准:
被检过滤器下游的粒子浓度换算成穿透率,高效过滤器不应大于出厂合格穿透率的两倍。
1,过滤器的基本知识
过滤器是洁净室的主要净化设备,是空气净化的主要手段。因此,对于从事洁净室设计、建造和维护管理人员了解和掌握过滤器的基本知识是十分重要的。
a、过滤器的分类
按过滤器的性能(效率、阻力、容尘量)来划分,通常将其划分成粗效、中效、高中效、亚高效、高效(HEPA)和超高效(ULPA)六类过滤器。
我国国家标准《空气过滤器》GB/T 14295-93中将不同过滤器的效率和阻力规定如下:
表二十三 过滤器的效率和阻力(GB/T 14295-93)
|
性能指标 性能类别 |
额定风量下的大气尘限径计数效率 (E %) |
额定风量下的初阻力 (Pa) |
|
|
粗效 |
≥ 5.0μm |
80 > E > 20 |
≤ 50 |
|
中效 |
≥ 1.0μm |
70 > E > 20 |
≤ 80 |
|
高中效 |
≥ 1.0μm |
90 > E > 70 |
≤ 100 |
|
亚高效 |
≥ 0.5μm |
99.9 > E > 95 |
≤ 150 |
国家标准《高效空气过滤器》GB 13554-92中规定将高效过滤器按性能划分为A、B、C、D四类。D类又通称为超高效过滤器(或称为0.1μm高效过滤器或超低透过率过滤器)。
表二十四 过滤器的效率和阻力(GB 13554-92)
|
性能指标 性能类别 |
效 率 (E %) |
额定风量下的初阻力(Pa) |
|
|
A |
额定风量下的钠焰效率 |
≥ 99.9 |
≤ 190 |
|
B |
额定风量和20%额定风量下的钠焰效率 |
≥ 99.99 |
≤ 220 |
|
C |
额定风量和20%额定风量下的钠焰效率 |
≥ 99.999 |
≤ 250 |
|
D |
额定风量和20%额定风量下的≥0.1μm粒子效率 |
≥ 99.999 |
≤ 280 |
国外将超高效过滤器(ULPA)的过滤效率指标规定为对于≥0.12μm粒子的过滤效率E≥99.9995%。
关于我国和欧美对过滤器的分类比较如下:
表二十五 过滤器的分类表
|
我国标准 GB/T 14295 |
一般通风用 |
洁净室用 |
|||||||||||||||||
|
粗 效 |
中效 |
高中效 |
亚高效 |
高 效 |
超高效 |
||||||||||||||
|
美国 ASHRAE标准 |
C1 |
C2 C3 C4 |
L5 L6 |
L7 L8 |
M9 M10 |
M11 M12 |
M13 |
M14 |
H15 |
H16 |
UH17 UH18 |
UH19 |
UH20 |
||||||
|
欧洲新标准 |
G1 |
G2 |
G3 |
G4 |
F5 |
F6 |
F7 |
F8 |
F9 |
H10 |
H11 |
H12 |
H13 |
H14 |
U15 |
U16 |
U17 |
||
|
欧洲老标准 |
EU1 |
EU2 |
EU3 |
EU4 |
EU5 |
EU6 |
EU7 |
EU8 |
EU9 |
EU10 |
EU11 |
EU12 EU13 |
EU14 |
||||||
|
效率E(%) |
65 80 90 |
60 80 90 |
85 95 99.5 99.95 99.995 99.9995 99.99995 |
||||||||||||||||
|
计重法 |
比色法 |
MPPS法(DOP法) |
|||||||||||||||||
b、过滤器的过滤机理
过滤机理主要有拦截(过筛)、惯性碰撞、布朗扩散和静电等。
① 拦截:即过筛。大于筛孔的粒子拦截下来被过滤掉,小于筛孔漏过去。
一般对大粒子有作用,效率很低,是粗效过滤器的过滤机理。
② 惯性碰撞:粒子尤其较大粒子随气流流动,作无规则运动。由于粒子的惯性或某种场力作用偏离气流方向,不随气流运动,而与障碍物碰撞、粘住而被过滤掉。粒子越大,惯性越大,效率越高。一般是粗效和中效过滤器的过滤机理。
③ 布朗扩散:气流中的微小粒子做无规则的布朗运动,与障碍物撞击被钩留粘住,而被过滤掉。粒子越小,布朗运动越强,与障碍物撞击机会越多,效率越高。这也被称作扩散机理。这是亚高效、高效和超高效过滤器的过滤机理。且纤维直径越接近粒子径效果越好。
c、过滤器的性能
过滤器性能一般包括过滤效率E;初阻力Hc;容尘量g。
① 过滤效率 E = 被过滤器过滤掉的(捕集的)粒子量/未过滤前空气中粒子总量×100%
一般而言:≤0.1μm粒子主要作布朗扩散运动,粒径越小,效率越高。
> 0.5μm粒子主要作惯性碰撞运动,粒径越大,效率越高。
0.1 > d >0.5μm之间的粒子其过滤效率有一个最低点,即最大穿透率的粒径。
② 初阻力Hc:气流绕纤维运动产生微小阻力,无数微小阻力之和即滤料对空气的阻力。过滤器的阻力与气流速度有关,速度越大,阻力越大。
过滤器的阻力分为初阻力(Hc)和终阻力(Hz)。
初阻力(Hc)是过滤器器开始使用时额定风量下的阻力。
终阻力(Hz)是过滤器更换时的阻力。一般Hz = 2×Hc。
③ 容尘量g:过滤器到达终阻力时在滤料上所容纳的灰尘重量。
d、滤速
滤速是指空气垂直于滤料方向穿过滤料的速度。不是过滤器迎面风速。
滤速越大粒子惯性力越大,对粗、中效过滤器而言效率越高,但滤速越大,过滤器对空气的阻力也越大。所以一般粗效过滤器滤速为1~2 m/s,中效过滤器的滤速0.2~1 m/s。
滤速越大,不利于微小粒子的布朗运动,因此对高效、超高效过滤器的滤速一般控制在0.02 m/s左右。
e、过滤器滤料和结构形式
粗效过滤器的滤料一般为:玻璃纤维、化纤、无纺布等其结构型式多为板式、折叠式和袋式。
中效过滤器的滤料一般为玻璃纤维、化纤、无纺布等其结构型式多为袋式、楔形折叠式。
高效过滤器的滤料主要是超细玻璃纤维滤纸。结构型式均为折叠式。有有隔板和无隔板之分。
f、过滤器的使用和更换
① 过滤器的使用
粗效、中效、高中效、亚高效、高效、超高效6种过滤器各有各的用途,必须正确使用,如果使用不当,不但不会起作用而且还会产生不良甚至相反的效果。因此,设计、建造和维护管理洁净室的人员要特别注意。
粗效过滤器是作为预过滤器使用,一般是设置在空调箱内,其作用是过滤大颗粒的粒子,以保护其后的空调设备(如表冷器和加热器等)和中效以及更高级过滤器。一般粗效过滤器不能作为终端过滤器。
中效过滤器一般设在空调箱的正压段,其作用是保护亚高效、高效过滤器等终端过滤器。它除去的是≥1.0μm的中小粒子。一般情况下,中效过滤器是中间过滤器,不能做预过滤器用,也不能做终端过滤器。
高效和超高效过滤器都做为净化系统的终端过滤器。一般放置在洁净室的吊顶上。高效过滤器(HEPA)是洁净室的必须的终端过滤器。而超高效过滤器是0.1μm,10级、1级或更高级别洁净室必须的终端过滤器。
② 过滤器的更换
过滤器经过一段时间的运行,当过滤器的阻力达到其终阻力Hz时,一般情况下就要更换了,否则其性能就会下降,达不到应起的作用,甚至会影响系统的正常运行。
对粗、中效过滤器而言,有一次性使用后废弃的也有可清洗后继续使用的,不过清洗后的粗、中效过滤器的阻力远比其初阻力大,效率也有所提高。
然而亚高效、高效和超高效过滤器都是一次性的,使用后就废弃的。
1、洁净室的发尘源
对于洁净室的尘源,除了来自室外大气的尘粒和进入洁净室的人和物携带的灰尘之外,洁净室内的发尘源主要来自于洁净室内操作人员,洁净室的围护和洁净室内生产工艺设备和生产过程的产尘。
① 洁净室内作业人员的产尘。作业人员的产尘与所穿的洁净工作服的材料、型式、着装情况和作业人员本身的动作有关。因此,洁净室内的作业人员必须穿规定的工作服而且动作也要受到一定的限制。通常情况下,一般电子装配工艺穿全身型洁净工作服轻微动作时,人员的产尘量为3.5 ~ 5.0×105个/人.分(≥0.5μm)。是洁净室内的最主要的发尘源。
② 洁净室围护和室内表面的产尘。随着洁净室装修材料的发展,耐磨、抗静电、少产尘的材料出现,洁净室内建筑产尘量越来越小。一般认为洁净室单位建筑面积产尘为3 ~ 5.0×104 /m2.分(≥0.5μm)。可见10平方米建筑产尘只相当一个作业人员的产尘量。
③ 生产设备和生产过程的产尘:这一产尘量与设备和生产过程本身有直接关系。不同设备、不同生产工艺的产尘量差别极大。在日本的资料介绍,一台电动机的产尘量大约为4.5 ~ 45×104个/台.分(≥0.5μm)。
2、洁净室的清扫
① 人工擦拭法:即人用洁净室专用擦布和纯水对洁净室的地、墙、顶以及家具和设备表面进行擦拭。这种清扫方法较为彻底。
② 分散式真空吸尘法:一般此方法只适用于低级别(1000级、10000级、100,000级)乱流洁净室。方法简单、灵活、方便,每天下班后均可采用此方法清扫。但由于移动式真空吸尘器内的圆筒形高效过滤器的效率比较低(≥99.5%,≥0.5μm),因此不适用在高级别的洁净室。一般情况500 m2洁净室可设两台吸尘器,每增加500 m2增加一台,最多不超过10台。
③ 集中式真空吸尘法:集中式真空吸尘是一个由吸尘口、管网、集中吸尘泵、除尘器组成的系统。吸尘泵和除尘器设在专门的机房内,因噪声极大,机房不但要远离厂房和办公区,而且还要适当地作隔声消声处理。吸尘泵应有备用不应少于2台。系统的管道宜用无缝钢管焊接联接暗装敷设。其弯头曲率半径为4 ~ 6d煨弯不得折皱,三通夹角要小于45o,不应有四通(可由2个三通组合),水平管道的坡度为3‰,坡向立管和吸尘点,拐弯处宜设清扫口。系统末端为吸尘口,平时有盖密封,使用时开盖插入吸尘软管进行吸尘。一般吸尘软管作用半径为8米,每个系统同时工作的吸尘口为4~5个,每个吸尘口的风量为150m3/时。
集中式真空吸尘不会影响室内的洁净度,因此,集中式真空吸尘方法多用在级别较高(100级、10级、1级),面积较大的洁净室中。
洁净室的清扫制度在一般情况下,每班(每天)小清扫一次;每周中清扫一次,每月大清扫一次。并且要设专人负责管理、监督和检查。还要有一定的培训制度。
影响洁净室内的空气品质的因素很多。如:洁净室内的新鲜空气量的大小;室内含氧量的多少;室内的负离子数量;室内装修安装等材料和生产过程产生的低浓度分子级的化学污染物的情况以及生产过程中散发的酸、碱、有机等废气都会影响洁净室内的空气品质。
1、洁净室内的新鲜空气量
《洁净厂房设计规范》50073-2001中规定“保证供给洁净室内每人每小时的新鲜空气量不小于40m3。”
根据平衡方程式:人们工作正常呼吸排出的CO2量 M = 0.03 m3 /人?h
新鲜空气中CO2的含量 C0 =0.0003 m3/ m3空气
洁净室内空气允许的CO2含量 C =0.001 m3/ m3空气。
故:洁净室内人们正常工作所需的新鲜空气量 L新 = M/C-C0
L新 = M/C-C0 = 0.03/0.001- 0.0003 =42.86 m3/人.h
因此,新鲜空气量按规范要求是可行的。新鲜空气量太小不利于洁净室内作业人员的健康,若新鲜空气量太大,运行能耗太大,运行费用太高不经济。但最小不低于40m3 /人.h。
2、洁净室空气的含氧量
大气中氧气的含量大约占21%,氮气大约占79%,其他气体的含量占总量的比例微忽其微。而洁净室是一个密封的空间,往往在洁净室内作业的人员会感觉不舒服、闷气、头痛等等,是不是洁净室内空气中的氧气含量少了呢?为了这一问题,在1983年编制《洁净厂房设计规范》GBJ 73-84时,专门请了北京有关卫生部门的专家对北京878厂洁净室内的氧气含量进行了测试,其结果:洁净室内的氧气含量占20%左右,基本正常,但洁净室空气中含有一些其他化学污染物和气味,使人感觉不舒服。
3、洁净室空气中的负离子量
a) 一般空气中的离子分为小离子、中离子和大离子三类。小离子是由3~12个带有基本电荷的分子组成的复合物(如:
等);中离子是大约由100~1000个分子组成的复合体,一般寄存在微粒子上;大离子是由106个分子聚合在一起的凝聚核。
表二十六 空气中的负离子含量表(个/ cm3)
|
离 子 |
半径(mm) |
基本电荷 |
寿 命 |
公园和田野中的数量(个/cm3) |
|
小离子 |
6×10-5 |
± 1 |
30~300秒 |
(1~10)×103 |
|
中离子 |
(1-5)×10-4 |
± 1 |
分~时 |
(1~10)×103 |
|
大离子 |
> 10-2 |
≤±10 |
天~周 |
(1~100)×103 |
在99年8月份的《精品购物指南》杂志“空气中的负离子”一文中将空气中的负离子称为“空气中的维生素”。该文给出了不同地方空气中的负离子含量。
表二十七 各空间空气中的负离子含量表(个/ cm3)
|
空 间 |
森林 瀑布区 |
高山 海边区 |
郊野 田园区 |
都市 公园区 |
街道 绿化区 |
城市 住宅区 |
空调 房间区 |
洁净室内 |
|
负离子含量 |
100,000~ 500,000 |
50,000~ 100,000 |
5,000~ 50,000 |
1,000~ 2,000 |
100~200 |
40~50 |
0~2 |
0 |
|
负离子 的作用 |
具有自然的免疫力 |
有杀菌作用减少疾病 |
能增强免疫力、抗菌力 |
维持基本需要 |
可诱发重量状态边缘 |
可诱发生理障碍,头痛失眠 |
可诱发空调病 |
|
② 空气中负离子对人体的作用
其实负离子是空气中带有负电荷的分子,负氧离子是带负电荷的氧分子
。是空气电离产生的。在自然界中雨过天晴、森林、瀑布、海边的空气中负离子含量多。广东省肇庆有一个旅游景点“鼎湖山”就以负离子而闻名,其负离子在空气中的含量高达200,000 ~300,000个/cm3。实践证明空气中的负离子对人体有一定的生理作用,其表现在:可降低血压、抑制哮喘、镇静神经、消除疲劳,能增强人体的免疫力和抗菌能力,使人精神爽,工作效率高。实验证明:空气中的负离子与呼吸器官接触时,产生电荷迁移,对器官施加刺激,而且离子越轻其活动能力越强,对器官施加的刺激就越明显。这种生物刺激的结果会使人体血液中的自由氧的含量提高,促使人体呼出CO2和吸入O2的量增多,这就意味着对人体有一定的好处。
在洁净室中的空气是经过粗、中、高效过滤器过滤的空气,所以洁净室空气中的负离子含量几乎为零。也是在洁净室内人们感觉不舒服的一个原因。
③ 负离子发生器
我国在80 ~ 90年代间有很多厂家研究和生产负氧离子发生器,但由于技术原因电离空气的电压不稳定等因素,产生负氧离子(
)的同时也产生大量的臭氧(
),因为臭氧对人体有害,损伤人的眼角膜和鼻粘膜等,后来很少生产了。但这一产品在保证质量的前题下还是非常需要的。不仅在洁净室内而且在日常生活中也是需要的。
4、洁净室空气中的其他化学成份
洁净室尤其电子工业用的洁净室由于室内装修材料以及生产用的原材料(各种气体、溶剂等)和生产过程排放的废气(含酸、含碱、含有机等化学污染物)等都会向洁净室空气中散发大量的化学物质,不仅影响洁净室内的空气品质,也会污染室外大气。
因此,在设计、建造和使用洁净室时要重视和处理好工艺设备的局部排风和废气的治理。不仅工艺设备本身要加强密封,而且,还要加强通风,提高排风效果,作好气流组织,使洁净室内的空气品质得以改善。
洁净工作服也称作无尘服(无菌服)是洁净室内工作人员的专业服装。洁净工作服对其衣料的要求很严格,服装的型式也根据洁净室洁净度的不同而不同。
1,洁净工作服的衣料
洁净工作服的衣料多为长纤维防静电的尼龙或聚脂材料。
洁净工作服对衣料的要求(摘自“空气洁净”99年第一期)
表二十八 洁净工作服的材料特性
|
要 素 |
要 求 |
|
有利于洁净度 |
不产尘、纤维剥离疲劳断丝时也不产尘,有过滤性能不透尘 |
|
防静电好 |
在低温、低湿条件下制电性能好,不产生静电,灰尘难以附着 |
|
生物学特性好 |
经灭菌处理后有持久的延续性,耐灭菌性能好 |
|
化学性能有耐久性 |
宜缝制,耐反复洗涤,易清洗,易着色。耐腐蚀性强 |
|
穿着舒适性好 |
柔性好、透气性好、手感好,有吸湿性、伸缩性、保温性 |
|
不透明性好 |
洁净服穿着时看不见内部的衣服 |
2,洁净工作服的型式:
a、连体型(全身):帽子、上衣、裤子、鞋套等集中连成一体,还配有手套、口罩、眼罩等,一般多用在高级别洁净度的洁净室内。
b、分体型:帽子、上衣、裤子、鞋套四件分开型。多用于洁净度较低的洁净室。
c、大褂型:有帽子、大褂、拖鞋,没有裤子。用于低洁净度洁净室和准洁净室。
3,洁净工作服的洗涤
关于洁净工作服的清洗管理等我国尚无标准和规范,目前各个使用洁净工作服的单位对其管理也极不规范。
有的工厂有自己的洗衣房(洁净洗衣房),用去离子水或纯水和中性洗涤剂清洗后在洁净环境下晾干。全厂统一管理,统一清洗,但成本很高。这是最好的情况。
也有的工厂有自己的洗衣房(一般房间),用普通自来水和一般洗涤剂,在一般条件下晾干。这种情况也较多。
最差的是将洁净工作服交给职工拿回家去洗。普通洗衣机、普通自来水、一般洗衣粉、晾在室外。洗完后看上去很白、很“干净”,但由于洗涤不规范,洗后的洁净工作服的产尘比洗涤前还多,这也不能称作洁净工作服了。
4,介绍国外的洁净工作服的清洗管理情况
日本有一个公司叫“CIC(CLEAN IN CLEAN ROOM)株式会社”是一家专门清洗洁净工作服的公司,其经营范围遍迹日本四个岛,90%以上洁净工作服均交给“CIC”清洗。我们去参观时见到,洁净工作服洗涤间是一个100级层流洁净室,洗涤时先用干洗,洗涤剂是经0.2 μm滤膜过滤的全氯乙烯(或三氯乙烯),主要是去油迹,干洗后再用纯水和专用中性洗涤剂进行水洗,然后用经高效过滤器过滤的热风吹干。洗后的衣服在专用的(带抽风的)工作台上熨平、折叠、装袋。为了灭菌,塑料袋内充环氧乙烷,灭菌后的环氧乙烷会自己释放掉。若有破损处事先还进行缝补……。最后这些装在密封塑料袋中的洁净工作服又按规定装在密封的塑料箱中外运,这些工作都在100级洁净室内进行。密封的塑料箱按省、市、县、区、厂、班、组进行编号,以免搞错。在使用工作服的工厂每个使用者都有三套工作服,其中一套穿在身上,一套交去清洗,一套备用。洁净工作服的全部清洗过程包括:取待洗的脏衣服,送洗后的干净衣服等全部由“CIC”负责,不让用户操心,而且管理得井井有条,非常规范。“CIC”还有一个实验室,实验室有很完善的测试手段,定期对洗涤的每一批洁净工作服进行抽样测试,以保证洁净工作服的洗涤质量。从洗涤质量、管理规范和清洗成本等方面,这种管理和洗涤方法远比分散到各个使用厂自己清洗要好得多。因此,建议:最好在我国的长江三角洲、珠江三角洲、北京、天津环渤海等三个经济发达、高科技企业集中的地区分别设立类似“CIC”这样的“洁净服清洗和管理公司”不仅会有很好的效益,而且对洁净工作服的使用单位、对社会、对环保都有好处。
1,在我国“洁净厂房设计规范”GB 50073-2001中规定“洁净区内不宜设厕所,人员净化用室内的厕所应设前室”;在人员净化程序图中,将厕所设在门厅内换鞋区之前,其目的是避免厕所对洁净区带来污染。
|
|
这一设置位置会给洁净室内作业人员上厕所带来很大的麻烦,要上厕所由洁净室出来要经过更衣,换鞋,方便以后回洁净室还要经过换鞋,更衣,吹淋等人身处理程序。但是,为了保证洁净区的卫生和洁净还必须这样执行。
2,洁净厕所
在日本参观时见过“洁净厕所”。86年我国洁净设备厂也生产过这样的“洁净厕所”。它是带有排风负压的100级层流卫生间,内设便器、洗手盆、烘手器全是自动化的,便后不能用卫生纸(也没有卫生纸),而是用热水冲洗,热风烘干。这样的厕所就直接放在洁净室旁边,作业人员上厕所无须经过更衣、换鞋等程序,给作业人员带来极大方便。但是,价格昂贵,运行费用也很高,管理也有一定的问题。国内很少见,只有在必要的场合中设置。
1,设置值班风机的目的
设置值班风机是为了在洁净室不工作时,其净化空调系统停止运行的情况下,为了确保洁净室的洁净度不受外界污染空气的破坏,必须维持洁净室内的一定的正压设置值班风机。值班风机送风也必须经过粗、中、高效过滤器三级过滤,而且还须有冷却、去湿、加热等热湿处理,否则洁净室内的设备、仪器、产品等就可能产生结露、生霉、生锈现象造成损坏。因此,在值班风机运行时必须有值班供冷、供热系统,否则只有值班风机是不可行的。
2,我国目前值班风机设置的状况
我国目前工厂的洁净室一般都不设置值班风机系统。因为,三班制全年连续运行的洁净室不须设值班风机。即使是一班制白天工作,晚上停工的工厂都采取提前启动空调净化系统,工作之前使洁净室进行自净,上班后洁净室的洁净度已经能满足生产工艺的要求了,也就不须另设一套值班风机系统了。但是,特殊情况下,工艺要求必须设值班风机系统时,还要按要求科学地设置值班风机系统。
3,洁净室的自净时间
单向流洁净室的净化原理是活塞原理,换气次数很高,一般400~600次/时(6~10次/分)将污染空气由送风侧挤压到回风侧,因此自净的时间很短。一般30秒~60秒即可自净完毕。
非单向流洁净室它的净化原理是均匀扩散的稀释原理,而且其送风的换气次数较单向流少得多,根据净化级别不同换气次数不同,一般换气次数为15~60次/时。因此,自净时间较长。一般非单向流的自净时间为15~30分钟,净化级别越低,送风量越少,自净时间越长。
1,吹淋室的作用
吹淋室的设置有三个作用。第一,是用高速度(≥25m/s)的洁净气流吹向人和物的表面,吹掉和抖掉人员和物品表面上附着的灰尘粒子。为达此目的,必须有一定的吹淋风速和一定的吹淋时间。一般按生产的企业标准吹淋风速U≥25m/s;吹淋时间T = 20 ~ 40秒。第二,是精神教育和警示,提示进入洁净区的任何人员要注意,经过吹淋以后就进入洁净区了,在洁净区内必须遵守洁净室的规定,不能擅自乱跑乱动。第三个作用是隔断作用,吹淋室是洁净区和非洁净区的屏障和隔断。保护洁净室不受非洁净区的污染。为达此目的,吹淋室必须设有不能同时开启的两道门(互锁)使用洁净区和非洁净区的空气不能直接相通,才能起到隔断的作用。
2,吹淋室的吹淋效果
关于吹淋室的吹淋效果,在80年代电子部十院和电子部十一院有关同志作了详细的测试和科学的实验。结果表明:吹淋室对人体表面上的灰尘粒子的吹淋效果为10%~30%。(≥0.5μm)和15% ~ 35%(≥5.0μm),这一实验数据证明:吹淋室不但具有警示作用、隔断作用而且对清除人和物表面上的灰尘是有一定作用的,尤其对非单向流洁净室的作用更加明显。
1,维持洁净室正压的目的
《洁净厂房设计规范》GB 50073-2001中规定,“洁净室与周围的空间必须维持一定的压差,并应按生产工艺要求决定维持正压差或负压差”。还规定,“不同等级的洁净室以及洁净区与非洁净区之间的压差应不小于5Pa,洁净区与室外的压差应不小于10Pa”。
维持洁净室的压差是为了防止周围比它低级别的洁净空间、非洁净空间或室外空气的渗入和倒灌,影响洁净室洁净度的重要措施。洁净室失去了正压,也可以说失去了洁净度,不称其洁净室了。由此可见维持洁净室正压的重要意义。洁净室的正压是指洁净室门窗关闭条件下的正压值。
2,洁净室的正压漏风量
洁净室正压是通过调节洁净室送风量要比回风量与排风量之和大一个正压漏风量而实现的。
洁净室的正压漏风量的大小,不仅与维持的正压值的大小有关,同时还与洁净室的密闭程度有关。
洁净室的正压漏风量可用缝隙法计算,也可用换气次数估计。
缝隙法宜按下式计算:
式中:L正 = 维持洁净室的正压值所需的正压漏风量。(m3/h)
a = 围护结构密封性的安全系数 a = 1.1~ 1.2
g = 洁净室为某一正压值时,围护结构单位长度缝隙的正压漏风量。(m3/h.m)
l = 围护结构的缝隙长度。
表二十九 围护结构单位长度缝隙的正压漏风量q(m3/h?m)
|
门窗形式 压差(Pa) |
非常闭门 |
密闭门 |
单层固定密闭钢窗 |
单层格式密闭钢窗 |
传递窗 |
壁板 |
|
5 |
17 |
4 |
0.7 |
3.5 |
2.0 |
0.3 |
|
10 |
24 |
6 |
1.0 |
4.5 |
3.0 |
0.6 |
|
15 |
30 |
8 |
1.3 |
6.0 |
4.0 |
0.8 |
|
20 |
36 |
9 |
1.5 |
7.0 |
5.0 |
1.0 |
|
25 |
40 |
10 |
1.7 |
8.0 |
5.5 |
1.2 |
|
30 |
44 |
11 |
1.9 |
8.5 |
6.0 |
1.4 |
|
35 |
48 |
12 |
2.1 |
9.0 |
7.0 |
1.5 |
|
40 |
52 |
13 |
2.3 |
10.0 |
7.5 |
1.7 |
|
45 |
55 |
15 |
2.5 |
10.5 |
8.0 |
1.9 |
|
50 |
60 |
16 |
2.6 |
11.0 |
9.0 |
2.0 |
表三十 换气次数表
|
压差(Pa) 密封性能 |
5 |
10 |
15 |
20 |
25 |
30 |
35 |
40 |
45 |
50 |
|
有外窗密封性较差 |
0.9 |
1.5 |
2.2 |
3.0 |
3.6 |
4.0 |
4.5 |
5.0 |
5.7 |
6.5 |
|
有外窗密封性较好 |
0.7 |
1.2 |
1.8 |
2.5 |
3.0 |
3.3 |
3.8 |
4.2 |
4.7 |
5.3 |
|
无外窗土建围护 |
0.6 |
1.0 |
1.5 |
2.1 |
2.5 |
2.7 |
3.0 |
3.2 |
3.4 |
3.6 |
3,维持洁净室正压的方法
a、设机械余压阀,调节平衡重锤可使正压维持在所需的正压值,此方法简单方便,一般余压阀设置在洁净室的下风向侧,洁净室正压超过规定值时余压阀自动开启排风。这种方法较为常用。
b、用洁净室的正压值自动控制新风量和回风量,使之正压漏风量自动稳定在某一个数量,来稳定洁净室规定的正压值。这一方法较为先进,但投资较高。
c、用回风口加过滤网加阻尼的办法来实现洁净室的正压。方法简单,但维护很难,正压值很难维持不变。
1,消毒和灭菌的定义
消毒:是灭掉对人体有害的微生物、病菌、病毒。
灭菌:是灭掉一切的微生物。不管对人体有害、有益的微生物。
2,消毒和灭菌的方法
a、药物法:是用无菌药物擦拭、喷雾和熏蒸的方法进行消毒灭菌,这些药物都具有一定的腐蚀性,因此要求被灭菌的表面都要有较好的耐腐蚀性能。
灭菌药物:① 乙烯氧化气体进行熏蒸。25℃,30%相对湿度,8~16小时。有一定毒性。
② 过氧乙酸。浓度2%喷雾。25℃,20分钟。有一定腐蚀性。
③ 丙烯酸气体熏蒸。25℃,相对湿度80%。用量7g/ m3。有一定毒性。
④ 甲醛气体熏蒸。25℃,相对湿度80%。用量35ml/ m3。有一定毒性。
⑤ 福尔马林气体熏蒸。25℃,相对湿度10%。10分钟。有刺激性。
b、紫外线照射:紫外线一般波长为1360~3900Å,以波长2537 Å的紫外线的杀菌能力最强。紫外灯的杀菌能力会随时间的增加而减弱;一般以点燃100小时的输出功率为额定输出功率,当紫外灯燃点到70%额定功率的点燃时间规定为紫外灯的平均寿命,紫外灯超过平均平均寿命后达不到预期的灭菌效果,应更换紫外灯。
紫外灯的灭菌效果还随菌种不同而不同,杀灭霉菌的照射量相当于杀灭杆菌照射量的40~50倍。紫外灯的灭菌效果还与空气的相对湿度有关,相对湿度为60%是设计值,当相对湿度超过60%时,尚须加大照射量。
紫外灯照射应在无人的状态下进行,因为对正常人体有定的伤害,紫外灯灭菌照射表面效果较好,但对流动的空气灭菌作用不大。
c、高温和高压蒸汽灭菌:高温干热灭菌温度一般为160 ~200℃。2小时才能达到灭菌目的;高压蒸汽湿热灭菌当温度为121℃时灭菌时间只为15 ~ 20分钟。
d、其他还有溶菌酶、纳米以及射线照射等灭菌方法。但最常用的是过滤器过滤方法灭菌,过滤器在过滤灰尘粒子的同时也将寄附在灰尘上的细菌和微生物过滤掉了。
1,国内的一般情况
目前国内所建的洁净室其墙和顶大多都是用彩钢板围成的,以浅色、月白色为多。地板多为抗静电塑料板或抗静电还氧自流平材料,颜色多为绿色和暗红色等较深的颜色。洁净室内部的颜色一般以人们的视觉感观舒服,长期在室内工作不易疲劳,精神集中,生产效率高为原则。另外浅色的围护还可以提高室内的照度。一般灯具布置25 ~ 30w/ m2时室内照度可达800 ~ 1000Lx。
2,特殊的情况
国内有个别工厂是按工艺的不同区划,不同洁净度来确定洁净室内围护的不同颜色。同一个区域内的墙、顶、地以及作业人员穿着的工作服全部都是同一种颜色,不同区域的颜色不同。这样划分界限分明便于管理。
如北京某一制药厂将生产工艺划分为三个区、三个区的颜色分别为绿、黄、红色。
绿区为包装和灭菌区:其墙、顶、地以及作业人员的服装全为绿色。其洁净度为300,000级,温湿度要求也低。
黄区为片剂和针剂区:其墙、顶、地以及作业人员的服装全为黄色。其洁净度为100,000级,温、湿度精度要求较绿区高。
红区为针剂配料灌封区:其墙、顶、地和工作服全为红色,此区洁净度为10,000级(局部100级),温湿度精神为最高。
上班时,全部作业人员由一层走上二层在二层换鞋,更外衣回到一层,全部穿上绿色工
作服进入绿区,绿区的作业人员留在绿区,其余的作业人员再更成黄色工作服进入黄区,黄区的作业人员留在黄区,红区的作业人员再更成红色工作服进入红区。退出时反之,洁净工作服拿出清洗。
1,静电的危害
a、静电产生电场能击穿电子和微电子产品造成废品;静电放电产生电磁波会引起电子仪器(计算机和控制设备)的误动作,放电产生火花可使感光材料曝光。
b、洁净室内静电的带电体,灰尘会依附在其表面,成为洁净室的污染源,影响洁净室的洁净度。
c、洁净室的静电聚集放电会诱发引起火灾和爆炸影响洁净室的安全。因为洁净室内生产会使用大量的易燃易爆的气体,溶剂和有机物,洁净室封闭性很强,人员疏散较困难造成火灾,损失更大。
2,静电的起因
由于某种原因引起电荷移动,正负电荷失去平衡,这样物体就带有静电,造成电荷移动的因素主要有:
a、接触带电:其中还包括有磨擦带电、滚动带电、剥离带电、喷射带电等。
b、感应带电
c、流动带电
d、电晕带电
3,防静电措施
a、洁净室围护的防静电:即用高导电率材料来建造洁净室的围护(墙、顶、地)地面要采用由电阻值为104~106 Ω导静电材料或电阻值为106~109Ω的抗静电材料制作。主要有良好的接地。
墙和顶要采用表面电阻值为106~108 Ω的铝蜂窝或岩棉彩钢板等金属材料制作。并要有良好的接地。
b、人员的防静电:洁净室的作业人员要穿防静电的洁净工作服,在衣服的织物中加入金属纤维、碳素纤维等导电材料。必要时作业人员手腕上配带接地腕环。
c、生产工艺允许时还可以用提高洁净室内空气的相对湿度的办法来消除静电。
1,洁净室防火的重要性
a、洁净室是密闭厂房。一般情况下不设外门、外窗,越是净化级别高其位置越在核心中间部位的无窗密闭厂房。如果出现火情,不仅财产会受很大损失,更重要的是人员难以疏散会有人员的伤亡。
b、洁净室是重要的科研和生产场所,生产会使用大量的易燃、易爆的气体、溶剂和有机物质,同时也还会使用大量的有毒有害物质,一旦发生火灾,后果不堪设想。
c、洁净室是为高科技服务,不仅仅洁净室本身的建造费用高(2000~10000元/m2),而且洁净室内的生产设备的价格更高,有的微电子设备每台都数百万美元。如果发生火灾,财产损失惨重。
集上述一些因素,洁净室的防火是十分重要的。
2,洁净室的防火措施
a、建筑结构的材料应用不燃材料制作。洁净室的装修材料也应采用不燃材料制作。应严格按“洁净厂房设计规范”中5.2“防火和疏散”一节的要求执行。
b、生产工艺要尽量不用和少用易燃易爆的原材料。如果必须使用,尽量采取密封措施不散放出来,并且加强通风换气。工艺生产使用易燃易爆气体时建议在气源瓶和使用设备中间加一个“中间分配箱”,使正常情况下是与易燃易爆有毒有害气源是处于断开的状况。
c、采取必要的报警和灭火措施
① 加强早期报警。采用空气采样器和感温探头系统联合进行报警,实现对阴火和明火的早期报警(空气采样器对阴火非常敏感,感温探头对明火非常敏感)。
② 设置室内外消火栓和洁净室自动喷淋灭火系统。
● 洁净室应有完善的室外消火栓灭火系统。
● 在洁净室的室内和上技术夹层、下技术夹层均设置完善的室内消火栓灭火系统和预作用水喷洒灭火系统。在正常情况下预作用喷洒系统管道内是充满压缩空气,当探头报警后,该系统启动水泵并排气充水,当火灾发生后,着火处烧破玻璃泡水自动喷洒出来灭火。
③ 设置疏散排烟系统
● 按“洁净厂房设计规范”GB 50073-2001要求洁净室的疏散走廊应设排烟或防烟系统保证人员的疏散安全。
● 利用工艺设备的排风系统和空调净化系统兼作火灾时的排烟系统以利人员疏散目的。
● 按消防部门或保险单位的要求,必要时还要设计洁净室的全面排烟系统。
4、在组织上要有一个训练有素的消防灭火队伍。这个队伍产生在作业工人队伍之中,有了火情这支队伍就可执行引导人员疏散和有组织的灭火工作。形成临危不乱,有组织有领导的局面。
1,洁净室能耗特点
洁净室的空调净化系统运行能耗比一般舒适性空调运行能耗大得多,根据净化级别不同,洁净室空调净化能耗是一般舒适性空调能耗的1.5~15倍,其单位面积的耗电量为0.1~1.0 Kw/m2。
a、洁净室的主要能耗
① 为维持洁净室所要求的温度和相对湿度,要对洁净室的送风进行必要的热、湿处理(冷却、去湿、加热、加湿 ……),就必须向空调净化系统供冷供热,供蒸汽就要消耗大量的能量。
② 为了保证洁净室的洁净度,温度、湿度等参数,必须往洁净室送入大量的空气,送风的风机和供水的水泵等动力设备也要消耗可观的能量。
③ 上述的供冷、供热、供蒸汽消耗的能量以及送风、送水设备消耗的电量随洁净级别越高,能量消耗越大。下表为不同级别洁净室的能耗统计表。
表三十一 不同级别洁净室的能耗统计表
|
项 目 |
一般空调 |
恒温空调 |
100,000级 |
10,000级 |
1,000级 |
100级 |
|
送风换气次数(次/h) |
8~10 |
10~15 |
15~20 |
25~30 |
50~60 |
400~600 |
|
单位面积耗冷量(w/m2) |
150~180 |
200~250 |
350~400 |
500~550 |
600~700 |
1000~1200 |
|
单位面积造价(元/ m2) |
500~600 |
800~1000 |
1500~1800 |
2000~2200 |
2800~3000 |
10000~12000 |
|
单位面积耗电量(Kw/ m2) |
0.06 |
0.1 |
0.16 |
0.25 |
0.30 |
1.0 |
注:单位面积耗电量指空调净化系统的耗电量(含制冷、制热、加湿、送风等)
④ 洁净室的冷负荷中的主要负荷是新风冷负荷,消除工艺设备和工艺过程产热的冷负荷和抵消风机和水泵发热的冷负荷,这三项负荷占总冷负荷的90%以上;而围护结构、照明和作业人员三项冷负荷不足总冷负荷的10%。
b、洁净室能耗大的原因
① 净化送风量大。不同净化级别的洁净室送风量和相同面积的舒适空调送风量的相比是其1.5~55倍,而且送风风压也是其2~3倍,因此送风机的温升耗冷量很大。
② 洁净室空调净化系统的新风量大,一般情况下,新风量等于排风量与正压漏风量之和,因此生产工艺排风量大故新风量就很大。因此,新风的热湿处理耗能也就很大。
③ 洁净室中的工艺设备和工艺过程发热量大,而且连续两班制或三班制运行。因此,耗能量也大。
④ 洁净室内生产工艺的温、湿度及其精度要求很高、很严。也是能耗大的原因。
c、洁净室的节能
① 严格控制洁净室的设计参数(洁净度和温湿度)和洁净室的面积尤其是10级、100级这样的高级别单向流洁净室的面积。因为洁净级别越高,温湿度精度要求越高,单位面积能耗越大。因此,实事求是该高则高,不要无原则地提高要求。洁净室的面积不要留太大余地。尤其是高级别的洁净室面积尽量采用混合流以低级别洁净室代替高级别洁净室。尽量缩小10级、100级单向流洁净室的面积。
② 严格控制洁净室的净化送风量,不要留太大的安全系数。控制监督施工质量,减少洁净室和管道的漏风量,加强保温减少冷损失,提高设备效率尽量利用变频措施以利节能。
③ 严格控制新风量。尽量降低排风量,采取措施提高排风效果,降低排风量以减少新风空调处理的能耗。
④ 加强管理。减少跑、冒、滴、漏。充分利用热回收和天然能源做为空调系统的预冷和预热。
1,洁净室的验收测试
洁净室测试一般有三种状态。即空态、静态和动态。
空态:即洁净室的竣工状态。洁净室空调净化系统正常运行,室内无工艺设备和作业人员的状态。
静态:洁净室空调净化系统正常运行,工艺设备在无人操作情况下运行的状态。
动态:洁净室投产的正常工作状态。
验收测试一般为空态测试。有时按合同也会有静态和动态测试。验收测试的必测项目有:洁净度测试,温、湿度及其精度测试,洁净室正压测试和洁净室送风量、回风量和新风量的测试。除必须测项目以外,根据测试合同还可以有选测项目。例如:噪声、振动、风速、照度……。
验收测试报告是洁净室竣工验收的关键性文件。
2,洁净室的在线测试
在线测试是定期或不定期的在洁净室正常工作的条件下,对洁净室的洁净度,温、湿度和正压的测试。是动态测试。在线测试结果可以反映洁净室的性能以及各种参数能否满足生产工艺的要求。
一般的净化厂房尤其电子工业用的洁净厂房都有严格的恒温、恒湿的要求,不仅对厂房内的温、湿度有严格的要求,而且对温度和相对湿度的波动范围也有严格的要求。因此,在净化空调系统的空气处理上要采取相应的措施,例如:夏季要降温、去湿(因为夏季室外空气是高温、高湿的),冬季要加热加湿(因为冬季室外空气是寒冷干燥的)。
对于净化空调系统的加湿问题而言,常用的加湿方法有很多种,有淋水、湿膜、高压喷雾和超声波等水加湿,这些加湿方法属等焓加湿过程。而喷蒸汽、喷干蒸汽和电极(电热)加湿是向空调送风中喷蒸汽,其加湿方法属等温加湿过程。
从确保洁净厂房内相对湿度的精度而言,上述的淋水、高压喷雾、湿膜等水加湿方法其控制的精度不高,故当洁净厂房内相对湿度精度要求≤±10%时最好不采用。而采用喷干蒸汽和电热(电极)式加湿的方法。喷干蒸汽的加湿方法要注意干蒸汽加湿器有一个喷蒸汽效率的问题,并非喷入空调箱内的蒸汽全部加入到空调送风中,而其中有一部分变成凝结水排放出来。因此,选择干蒸汽加湿的加湿量时应考虑其喷蒸的效率。有的厂家给出的喷蒸效率为70%。
根据多年经验各种不同的加湿器的应用范围不同:
如:淋水、湿膜、高压喷雾等水加湿器,其特点是加湿量大、投资费用低,而相对湿度控制精度较差,因此多用于相对湿度要求不严格(> ±10%),加湿量很大的工业厂房和一般舒适用空调房间的空调系统加湿。
而相对湿度控制精度高的干蒸汽加湿和电极(电热)式加湿因投资较高则多用在相对湿度精度要求严格的恒温恒湿洁净厂房的空调系统加湿中。
对于以微生物为控制对象的生物洁净室(例如:生物制药、洁净手术室、生物安全实验室、实验无菌动物饲养室等)其重点要控制微生物的产生和传播,因为潮湿和水分是微生物滋生和繁殖的条件,因此水加湿的淋水、湿膜、高压喷雾等方法不能用在生物洁净室中,只能采用干蒸汽加湿和电极(电热)式加湿。
还有一个值得注意的问题是,近些年来我国南方如深圳、广州以及华东的上海、苏州等地冬季室外空气相对湿度较“规范”给出的室外空调计算相对湿度要低,例如:冬季室外计算相对湿度深圳、广州均为70%,上海和苏州为75%,而这些年实测的室外相对湿度有时只有30%左右,因此,建起来运行的洁净厂房的加湿量不足,室内相对湿度偏低,达不到设计要求。有的工厂为了简便和省钱,在原空调器内增加湿膜或喷雾进行加湿以加大加湿量。但是,事与愿违,不但加不进去湿量而且加进去的还会很快饱和变为凝结水析出来,而达不到加湿目的。因为,湿膜和高压喷雾属等焓加湿过程,加湿前的空调空气必须加热到一定温度后再加湿才能达到加湿目的。如果不进行加热是不可行的。
在加湿问题上还有一个应注意的问题就是空调器内空气流动带水的问题。有的工程中由于加湿的带水问题没有处理好,结果后面的中效过滤器甚至高效过滤器都被携带的水打湿了。对于干蒸汽加湿器也要注意蒸汽管和凝结水管的坡度和坡向问题,要使凝结水迅速地排到空调器外。若加湿器设在空调器的风机段内,还应采取措施避免凝结水滴到电机上,造成电机短路断电。
空调系统的水管和风管都要用绝热的保温材料进行保温,其目的不外乎减少冷(热)损失以利节能,确保洁净厂房所要求的温度和相对湿度,其二是夏季防止空调风管和冷水管道结露滴水,一般洁净厂房的吊顶都是软吊顶(彩钢板或其他轻质板材)风管结露滴水流到吊项上会渗到洁净厂房内影响厂房的正常运行。如果是民用的办公楼和宾馆等公用建筑,由于冷水管和送风管保温不好结露滴水,软吊顶可见湿一片、印一片,不堪入目。因此,不要小看见空调风管(水管)的保温问题,解决不好后患无穷,出了问题花再多的钱也难以修补。作者本人在2003~2004年两年受朋友之托,在深圳处理过多个洁净厂房技术夹层上风管结露滴水的问题,在洁净厂房内地面上到处放了很多塑料桶来接吊顶上滴下来的水,不仅室内温湿度不合格而且影响正常的生产。在吊顶上,风管的保温材料全部被凝结水浸透,尤其离外墙外窗较远深处风管的结露更为严重。业主非常头痛,施工单位也束手无策。特别是在7、8、9三个月近几年雨季非常集中,这些结露滴水的洁净厂房大多在交付使用一年以后出现问题。
这个问题的解决主要从两方面入手,第一个是解决保温材料的性能和保温层的厚度;第二个是解决吊顶上管道技术夹层的通风问题。
第一是保温材料的性能和保温层的厚度问题:目前市场上销售的保温材料品种很多,保温性能也不一样,价格也高低悬殊,一般常用的不燃的保温材料有岩棉和玻璃棉等;常用难燃保温材料有聚乙烯(PEF)和橡塑等。当采用岩棉和玻璃棉作冷管道保温时,外面必须用铝箔作防潮层(保护层),如果防潮层没处理好或破损了,空气中的水气会结露进入纤维内部使保温材料失效。而聚乙烯和橡塑多为闭孔发泡有较好的保温隔潮性能,但市场上各供货商销售的聚乙烯和橡塑五花八门,为了低价竞争产品质量难以保证。有时签合同时送交的样品和大批交送的保温材料的保温性能和阻燃隔潮性能相差甚远,不能保证质量。
我们设计院在设计时往往采取向供货商提供管道内冷风的参数和风管所处环境的参数,由供货商计算保温层厚度,为了避免供货商计算的太厚,设计院负责审核计算书,保温后如果出现结露和滴水现象,除掉施工因素以外由保温材料供货商负责处理和赔偿。
第二是吊顶上管道技术夹层的通风问题:实践证明吊顶上的管道技术夹层一定要有通风设施,越是无通风的闷顶结露现象越严重,有外窗的技术夹层靠近外窗的管道结露现象很少较轻,离外窗越远的深处结露现象越严重。吊顶上管道技术夹层的通风可采用自然通风(开外窗)也可采用机械排风自然进风的通风方式;如果技术夹层面积很大上述方案也不能解决问题时,还可以采用机械送风对面机械排风的通风方式。
净化空调系统的加热主要可分为空调箱内的空气一次加热(或称为预热)、空气二次加热(也称作再热)和设在风管上的电加热。就空调加热的热源常用的主要有蒸汽、热水和电加热。
系统中的一次加热多用在寒冷的北方(黄河以北)冬季作为预热用,一方面防止塞外寒冷空气进入空调箱后冻坏其他空调加配件,另一方面防止新风和回风混合时产生雾气和结露。一次加热的热媒以蒸汽为好,如果采用热水做为热媒时要防止预热器本身被冻坏。
系统中的二次加热是洁净厂房内温度调节和湿度控制所必要的,二次加热的热媒主要是热水,因为热水作为热媒时调节方便,控制的精度高。一般温度精度要求≤±1℃时,应该用热水做热媒。当温度控制要求不严格或无精度要求时也可以用蒸汽做热媒。
当厂房温度控制精度要求很高(例如<±0.5℃)单用二次加热控制精度难以达到时可在风管上加设微调精控的电加热器,采用电加热器时要注意采取必要的安全保护措施,一方面电加热器要接地,要有无风断电的保护,另一广面在电加热器前后一米的风管必须采用不燃的保温材料保温(例如岩棉或玻璃棉)。
文章来源://www.capeel.com/