洁净气体灭火系统设计规范(七氟丙烷(HFC-227ea))全文完整版

文章来源://www.capeel.com/  2013年01月28日  点击数:23585

七氟丙烷(HFC-227ea)洁净气体灭火系统设计规范

1 总则

 第1.0.1条 为了合理设计七氟丙烷灭火系统,减少火灾危害,保护人身及财产的安全,制定本规范。

第1.0.2条 本规范适用于工业和民用建筑中新建、改建、扩建工程设置的七氟丙烷全淹没灭火系统。

第1.0.3条 七氟丙烷灭火系统的设计,应做到安全可靠、技术先进、经济合理.

第1.0.4条  七氟丙烷灭火系统可用于扑救下列火灾:

1、电气火灾;

2、液体火灾或可熔化的固体火灾;

3、固体表面火灾;

4、灭火前应能切断气源的气体火灾。

第1.0.5条 七氟丙烷灭火系统不得用于扑救下列物质的火灾:

1、含氧化剂的化学制品及混合物,如硝化纤维、硝酸钠等;

2、活泼金属,如钾、钠、镁、钛、锆、铀等;

3、金属氢化物,如氢化钾、氢化钠等;

4、能自行分解的化学物质,如过氧化氢、联胺等。

第1.0.6条  灭火剂七氟丙烷HFC227ea的化学分子式为CF3CHFCF3,其质量应符合下列技术指标。

性能

技术指标

纯度

≥99.6%(摩尔/摩尔)

酸度

≤3ppm

水含量

≤10ppm

不挥发残留物

≤0.01%

悬浮或沉淀物

不可见

第1.0.7条 七氟丙烷灭火系统设计,除执行本规范外,尚应符合现行的有关国家标准的规定。

2  术语、符号

2.1术语

第2.1.1条  防护区

能满足七氟丙烷全淹没灭火系统要求的有限封闭空间。

第2.1.2条  全淹没灭火系统

      在规定的时间内,向防护区喷射一定浓度的七氟丙烷,并使其均匀地充满整个防护区的灭火系统。

第2.1.3条   预制灭火装置

      按一定的应用条件,将七氟丙烷储存装置和喷放喷头等部件预先组合成套的灭火装置。

第2.1.4条  组合分配系统

      用一套七氟丙烷储存装置保护两个或两个以上防护区的灭火系统

第2.1.5条   灭火浓度

     在101Kpa大气压和规定的温度条件下,扑灭某种火灾所需七氟丙烷在空气中的最小体积百分比。

第2.1.6条  惰化浓度

     当引火源加入时,在101Kpa大气压和规定的温度条件下,能抑制空气中任意浓度的可燃气体或可燃液体蒸汽的燃烧发生所需的七氟丙烷在空气中的最小体积百分比。

第2.1.7条  浸渍时间

     在防护区内维持设计规定的七氟丙烷浓度,使火灾完全熄灭所需的时间。

第2.1.8条  充装率

     充装在储存容器中的七氟丙烷质量与容器的容积之比,单位为kg/m3。

第2.1.9条  泄压口

    七氟丙烷喷放时,防止防护区过压的开口。

2.2     符号

表2.2

编号

符号

单位

涵   义

2.2.1

C

%

七氟丙烷灭火(或惰化)设计浓度

2.2.2

D

mm

管道内径

2.2.3

Fc

cm2

喷头孔口面积

2.2.4

Fx

m2

泄压口面积

2.2.5

g

m/s2

重力加速度

2.2.6

H

m

喷头高度相对“过程中点”时储存容器液面的位差

2.2.7

K

/

海拔高度修正系数

2.2.8

L

m

计算管段的计算长度

2.2.9

n

储存容器的数量

2.2.10

nd

 管网计算管段数量

2.2.11

Ng

安装在计算支管流程下游的喷头数量

2.2.12

P0

绝压MPa

储存容器额定增压压力

2.2.13

Pc

绝压MPa

喷头工作压力

2.2.14

Pf

Pa

围护结构承受内压的允许压强

2.2.15

Ph

MPa

高程压头

2.2.16

Pm

绝压MPa

喷放“过程中点”储存容器内压力

2.2.17

Qc

Kg/s

单个喷头的设计流量

2.2.18

Qg

Kg/s

支管平均设计流量

2.2.19

Qp

Kg/s

管道流量

2.2.20

Qw

Kg/s

主干管平均设计流量

2.2.21

Qx

Kg/s

七氟丙烷在防护区的平均喷放速率

2.2.22

S

m3/kg

七氟丙烷过热蒸汽在101Kpa和防护区最低环境温度下的比容

2.2.23

T

温度

2.2.24

t

s

七氟丙烷的喷放时间

2.2.25

V

m3

防护区的净容积

2.2.26

V0


喷放前全部储存容器内的气相总容积

2.2.27

Vb

m3

储存容器的容量

2.2.28

Vp

m3

管网的管道内容积

2.2.29

W

kg

防护区七氟丙烷灭火(或惰化)设计用量

2.2.30

γ

Kg/ m3

七氟丙烷液体密度

2.2.31

η

Kg/ m3

七氟丙烷充装率

2.2.32

μc

/

喷头流量系数

2.2.33

ΔP

MPa

计算管段阻力损失

3  防护区

第3.0.1条    防护区的划分,应符合下列规定:

1、防护区宜以固定的单个封闭空间划分;当同一区间的吊顶和地板下需同时保护时,可合为一个防护区;

2、当采用管网灭火系统时,一个防护区的面积不宜大于500m2;容积不宜大于2000m3;

3、当采用预制灭火装置时,一个防护区的面积不宜大于100m2;容积不宜大于300m3;

第3.0.2条  防护区的最低环境温度不应低于-10℃。

第3.0.3条   防护区围护结构及门窗的耐火极限均不应低于0.5h;吊顶的耐火极限不应低于0.25h;

第3.0.4条   防护区围护结构承受内压的允许压强,不宜低于1.2 KPa。

第3.0.5条  防护区灭火时应保持封闭条件,除泄压口以外的开口,以及用于该防护区的通风机和通风管道中的防火阀,在喷放七氟丙烷前,应做到关闭。

第3.0.6条    防护区的泄压口宜设在外墙上,应位于防护区净高的2/3以上。

泄压口面积,按下式计算:

           

            式中  Fx ---  泄压口面积(m2)

            Q ---七氟丙烷在防护区的平均喷放速率(kg/s)

            Pf   ----围护结构承受内压的允许压强(Pa)

    当设有外开门弹性闭门器或弹簧门的防护区,其开口面积不小于泄压口计算面积的,不须另设泄压口。

第3.0.7条   两个或两个以上邻近的防护区,宜采用组合分配系统。

4 七氟丙烷设计用量

第一节 一般规定

第4.1.1条  采用七氟丙烷灭火系统保护的防护区,其七氟丙烷设计用量,应根据防护区可燃物相应的灭火设计浓度或惰化设 计浓度惊计算确定。

第4.1.2条  某物的灭火设计浓度不应小于该物灭火浓度的1.2倍,某物的惰化设计浓度不应小于该物浓度的1.1倍。

         有关可燃物的灭火设计浓度,可按附表A中附表A-1、附表A-2上所给出的灭火浓度进行确定;

         有关可燃物的惰化设计浓度,可按附表A中附表A-3上所给出的惰化浓度进行确定;

         附表A中未给出的,应经实验确定。

第4.1.3条   有爆炸危险的气体、液体类火灾的防护区,应采用惰化设计浓度;无爆炸危险的气体、液体类火灾和固体类火灾的防护区,应采用灭火设计浓度。

第4.1.4条  当几种可燃物共存或混合时,其灭火设计浓度或惰化设计浓度,应按其中最大的灭火浓度或惰化浓度确定。

第4.1.5条    图书、档案、票据和文物资料库等防护区,七氟丙烷的灭火设计浓度宜采用10%。

第4.1.6条   油浸变压器、带油开关的配电室和自备发电机房等防护区,七氟丙烷的灭火设计浓度宜采用8.3%。

第4.1.7条   通讯机房和电子计算机房等防护区,七氟丙烷的灭火设计浓度宜采用8%。

第4.1.8条   七氟丙烷灭火时的浸渍时间,应符合下列规定:

1、扑救木材、纸张、织物类等固体火灾时,不宜小于20min;

2、扑救通讯机房、电子计算机房等防护区火灾时,不宜小于3min;

3、扑救其他固体火灾时,不宜小于10min;

4、扑救气体和液体火灾时,不宜小于1min;

第二节 设计用量

第4.2.1条   防护区灭火设计用量或惰化设计用量应按下式计算:

   式中  W ---  防护区七氟丙烷灭火(或惰化)设计用量(Kg)

             C ----   七氟丙烷灭火(或惰化)设计浓度(%)

             S ----   七氟丙烷过热蒸气在101KP a和防护区最低环境温度下的比容(m3/Kg)

             V ----    防护区的净容积(m3)

             K ----    海拔修正系数,按附录B的规定采用。

第4.2.2条   七氟丙烷在不同温度下的过热蒸气比容,应按下式计算:

         

第4.2.3条 系统的设置用量,应为防护区灭火设计用量(或惰化设计用量)与系统中喷放不尽的剩余量之和。

   喷放不尽的剩余量,应包括储存容器内剩余量和管网内的剩余量。

1、储存容器内的剩余量,可按储存容器内引升管管口以下的容器容积计算。

2、均衡管网和只含一个封闭空间的防护区的非均衡管网,其管道内的剩余量,均可不计。

防护区中含两个或两个以上封闭空间的非均衡管网,其管网内的剩余量,可按管网第1支点后各支管的长度,分别取各长支管与最短支管长度的差值为计算长度,计算出的各长支管末段的内容积量,应为管网内的容积剩余量。

第4.2.4条 当系统为组合分配系统时,系统设置用量中有关防护区灭火设计用量的部分,应采用该组合中某个防护区设计用量最大者替代。

第4.2.5条 用于需不间断保护的防护区的灭火系统和超过8个防护区组合成的组合分配系统,应设七氟丙烷备用量,备用量按原设置用量的100%确定。

5 系统设计与管网计算

5.1   系统设计

第5.1.1条 系统设计与管网计算的设计额定温度,应为20℃。

第5.1.2条 七氟丙烷灭火系统应采用氮气增压输送,氮气的含水量不应大于0.006%(m3/m3)。

        额定增压压力分为两级,应符合下列规定:

        一级  2.5±0.125Mpa(表压)

        二级  4.2±0.125Mpa(表压)

第5.1.3条 储存容器中七氟丙烷的充装率,不应大于1150Kg/m3。

第5.1.4条 系统管网的管道内容积,不宜大于该系统七氟丙烷充装容积量的80%。

第5.1.5条 管网布置设计为均衡系统,应符合下列规定:

                   1、各个喷头,应取相等设计流量;

                  2、在管网上,从第1分流点至各喷头的管道阻力损失,其相互间的最大差值不应大于20%;

第5.1.6条 七氟丙烷的喷放时间,在通讯机房和电子计算机房等防护区,不宜大于7s;在其它防护区,不应大于10s。

第5.1.7条  在管网上,不应采用四通管件进行分流。 (原文链接://www.capeel.com/a-618/)


5.2管网计算

第5.2.1条  管网计算时,各管道中工质的流量,宜采用平均设计流量。

第5.2.2条  管网中主干管的平均设计流量,应按下式计算:

Qw=W/t                   (5.2.2)

式中QW-----主干管平均设计流量(Kg/s);

W------防护区七氟丙烷的灭火(或惰化)设计用量(kg);

T-------七氟丙烷的喷放时间(S);

第5.2.3条  管网中支管的平均设计流量 ,应按下式计算:

                       (5.2.3)

式中Qg-----支管平均设计流量(Kg/s);

Ng------安装在计算支管流程下游的喷头数量(个);

Qc-------单个喷头的设计流量(Kg/S)。

第5.2.4条 宜采用喷放七氟丙烷设计用量50%时的“过程中点”容器压力和该点瞬时流量进行管网计算。宜认定该瞬时流量等

         于平均设计流量。

第5.2.5条  喷放“过程中点”容器压力,宜按下式计算:

                  (5.2.5)

式中Pm-----喷放“过程中点”储存容器内压力(绝压,MPa),(绝压=表压+0.101MPa);

P0------储存容器额定增压压力(绝压,Mpa);

V0-------喷放前,全部储存容器内的气相总容积(m3);

W--------防护区七氟丙烷灭火(或惰化)设计用量(Kg)

γ --------七氟丙烷液体密度(Kg/m3),(20℃时,为1407);

Vp-------管网管道的容积(m3)。

  其中,V0=n?Vb(1-η/γ)                       (5.2.5.1)

式中n-----储存容器的数量(个)

Vb-----储存容器的容量(m3)

η------七氟丙烷充装率(Kg/m3)

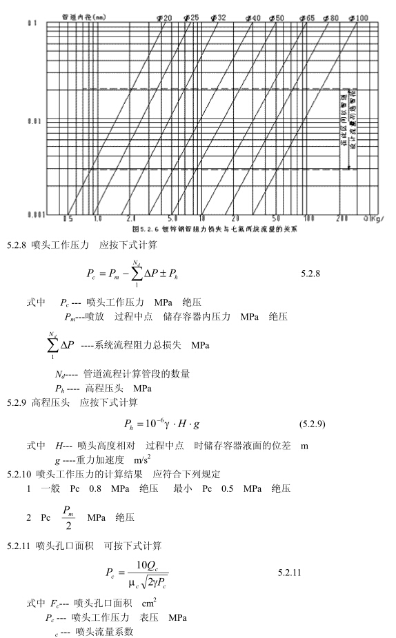
第5.2.6条  七氟丙烷管流采用镀锌钢管的阻力损失,可按下式计算,或按图5.2.6确定。

                  (5.2.6)

式中  ΔP---    计算管段阻力损失(MPa)

      L  ----    计算管段的计算长度(m)

      Qp ----    管道流量(kg/s)

      D ----     管道内径(mm)


第5.2.7条  初选管径,可按平均设计流量及采用管道阻力损失0.003至0.02 Mpa/m进行计算(见图5.2.6)。

第5.2.8条  喷头工作压力,应按下式计算:

             (5.2.8)

式中  Pc ---  喷头工作压力(绝压,MPa);

 Pm---   喷放“过程中点”储存容器内压力(绝压,MPa);

∑----     系统流程阻力总损失(MPa);

Nd----     管网计算管段的数量;

Ph  ----   高程压头(MPa)

第5.2.9条  高程压头,应按下式计算:

              Ph=10-6γ? H ? g                              (5.2.9)

         式中  H---    喷头高度相对“过程中点”时储存容器液面的位差;

                 γ ---  七氟丙烷液体密度(kg/m3);

                 g ----   重力加速度(m/s2)

第5.2.10条  喷头工作压力的计算结果,应符合下列规定:

1、一般,Pc≥0.8(绝压,MPa),最小,Pc≥0.5(绝压,MPa);

2、Pc≥Pm/2(绝压,MPa),

第5.2.11条   喷头孔口面积,可按下式计算: 

                            (5.2.11)

式中  Fc---    喷头孔口面积(cm2)

      Qc---     喷头设计流量(kg/s)

      γ ---   七氟丙烷液体密度(kg/m3);

      Pc ---   喷头工作压力(表压,MPa);

      μc ---  喷头流量系数。

第5.2.12条   喷头流量系数,由储存容器的充装压力与喷头孔口结构等因素决定,应试验得出。

6   系统组件

6.1 储存装置

第6.1.1条   灭火系统的储存装置应由储存容器、容器阀、单向阀和集流管等组成。

预制灭火装置的储存装置,应由储存容器、容器阀组成。

第6.1.2条  在储存容器或容器阀上,应设安全泻压装置和压力表。组合分配系统的集流管,应设安全泻压装置。

安全泻压装置的动作压力,应符合下列规定:

1、储存压力为2.5 Mpa时,应为4.8±0.4 Mpa;

2、储存压力为4.2 Mpa时,应为6.8±0.4 Mpa;

第6.1.3条   在容器阀和集流管之间的管道上应设单向阀。单向阀与容器阀或单向阀与集流管之间应采用软管连接。储存容器和集流管应采用支架固定。

第6.1.4条  备用量的储存容器与主用量的储存容器应连接在同一集流管上,并能切换使用。

第6.1.5条 在储存装置上应设耐用的固定标牌。标明每个容器的编号、皮重、灭火剂名称、充装量、充装日期和储存压力等。

第6.1.6条  储存装置宜设在靠近防护区的专用储瓶间内。该房间的耐火等级不应低于二级,室温应为-10~50℃,应有直接通向室外或疏散走道的出口。

第6.1.7条  储存装置的布置,应便于操作、维修及防止阳光照射。操作面距墙面或两操作面之间的距离,不宜小于1m。

6.2管道部件与管道

第6.2.1条  在通向每个防护区的灭火系统主管道上,应设压力讯号器或流量讯号器。

第6.2.2条  在组合分配系统中,相对于每个防护区应设置控制灭火剂流向的选择阀,其公称直径应与该防护区灭火系统的主管道公称直径相等。

选择阀的位置应靠近储存容器且便于操作。选择阀宜设有指明其工作防护区的标牌。

第6.2.3条  喷头宜贴近防护区顶面安装,距顶面的最大距离不应大于0.5m。

  喷头的保护高度和保护半径,应符合下列规定:

1、最大保护高度,不宜大于5.0m;

2、最小保护高度,不宜小于0.5m;

3、当防护区高度h<1.5m时,喷头的保护半径,不应大于3.5m;

4、当防护区高度h≥1.5m时,喷头的保护半径,不应大于5.0m;

第6.2.4条   喷头应以其喷射流量和保护半径进行合理配置,满足七氟丙烷在防护区均匀分布的要求。

第6.2.5条   喷头应有表示其型号、规格的永久性标志。设置在有粉尘的防护区的喷头,应增设在喷射时自行脱落的防尘罩。

第6.2.6条   管网管道及管道附件应能承受最高环境温度下的工作压力,并应符合下列规定:

1、输送七氟丙烷的管道应采用无缝钢管。其质量应符号现行国家标准《冷拔或冷扎精密无缝钢管》和《无缝钢管》等的规定。无缝钢管内外应镀锌。

2、输送七氟丙烷的管道安装在有腐蚀镀锌层的场所,宜采用不锈钢管。其质量应符合现行国家标准《不锈钢无缝钢管》的规定。

3、输送启动气体的管道,宜采用铜管,其质量应符合国家标准《拉制铜管》的规定。

4、管道的连接,当公称直径小于或等于80mm时,宜采用螺纹连接年;大于80mm时,宜采用法兰连接。钢制管道附件应内外镀锌。在有腐蚀镀锌层介质的场所,应采用铜合金或不锈钢的管道附件。

7 操作与控制

第7.0.1条  采用七氟丙烷灭火系统和预制灭火装置的防护区,应按现行国家标准《火灾自动报警系统设计规范》的规定设置火灾自动报警系统。探测的灵敏度宜采用一级。

第7.0.2条  灭火系统应设自动控制、手动控制和机械应急操作三种启动方式。设置在防护区内的预制灭火装置应有自动控制和手动控制两种启动方式。

       在自动控制程序中,应安排0~30s可调的延迟喷射的环节。延迟时间的设置,应根据人员安全尽快撤离防护区的需要;对于平时无人工作的防护区,可设为0s。

       在灭火设计浓度大于9%的防护区,应增设手动与自动控制的转换装置,当有人进入防护区时,将灭火系统转换到手动控制位;当人离开时,恢复到自动控制位。

第7.0.3条   自动控制装置应在接到两个独立的火灾信号后才能启动。手动控制装置和手动与自动转换装置应设在防护区疏散出口的门外便于操作的地方。机械应急操作装置应设在储瓶间内或防护区疏散出口门外便于操作的地方;并且,其操作方式应经两步完成。

第7.0.4条  灭火系统与预制灭火装置的操作与控制,应包括对需联动的开口封闭装置、通风机和防火阀等设备的操作与控制。

        设有消防控制中心的场所,各防护区灭火控制系统的动作信息,应传送给消防控制中心。这些信息包括火灾信息捕 获灭火动作、手动与自动转换和系统故障等。

第7.0.5条   灭火系统和预制灭火装置的供电,应符合现行国家防火标准的规定;采用气动力源时应保证系统操作和控制需要的压力和气量。

8 安全要求

第8.0.1条  防护区应有足够宽的疏散通道和出口,保证人员在30S内能撤出防护区。

第8.0.2条  经常有人工作的防护区,当人员不能在30S内撤出时,防护区七氟丙烷的灭火设计浓度必须不大与9%。

第8.0.3条  防护区的疏散通道及出口,应设应急照明与疏散指示标志。防护区内应设火灾声报警器,必要时,可增设闪光报警器。

        防护区的入口处应设火灾声、光报警器和灭火剂喷放指示的门灯,以及防护区采用了七氟丙烷保护的标志牌。喷放门灯指示,应保持到防护区通风换气后手动去除。

第8.0.4条   防护区的门应向外开启,并能自行关闭;疏散出口的门,必须能从防护区内打开。

第8.0.5条   灭火后的防护区应通风换气,地下防护区和无窗或设固定窗扇的地上防护区,应设机械排风装置,排风口宜设在防护区的下部并应直通室外。

第8.0.6条   地下储瓶间应设机械排风装置,排风口应设下部直通室外。

第8.0.7条   凡经过有爆炸危险的场所的管网系统,应设防静电接地。

第8.0.8条   设有七氟丙烷灭火系统的建筑物,宜配置空气或氧气呼吸器。


附录A可燃物的七氟丙烷HFC 227ea灭火浓度与惰化浓度

可燃物的七氟丙烷HFC -227ea灭火浓度               附表A-1

可燃物

灭火浓度%


可燃物

灭火浓度%

丙酮

6.8

JP-4

6.6

乙腈

3.7

JP-5

6.6

AV汽油

6.7

甲烷

6.2

丁醇

7.1

甲醇

10.2

丁基醋酸脂

6.6

甲乙酮

6.7

环戊酮

6.7

甲基异丁酮

6.6

2号柴油

6.7

吗啉

7.3

乙烷

7.5

硝基甲烷

10.1

乙醇

8.1

丙烷

6.3

乙基醋酸脂

5.6

pyrollidine

7.0

乙二醇

7.8

四氢呋喃

7.2

汽油(无铅,7.8%乙醇)

6.5

甲苯

5.8

庚烷

5.8

变压器油

6.9

1号水力流体

5.8

涡轮液压油

5.1

异丙醇

7.3

二甲苯

5.3

A类危险物表面火灾的七氟丙烷HFC-227ea灭火浓度         附表A-2

火灾

灭火浓度%

A类危险物表面火灾

5.8

可燃物的七氟丙烷HFC-227ea惰化浓度           附表A-3

可燃物

灭火浓度%

1-丁烷

11.3

1-氯-1.1-二氟乙烷

2.6

1.1-二氟乙烷

8.6

二氯甲烷

3.5

乙烯氧化物

13.6

甲烷

8.0

戊烷

11.6

丙烷

11.6


附录B 海拔高度修正系数

海拔高度修正系数                         附表B

海拔高度

修正系数

-1000

1.130

0

1.000

1000

0.885

1500

0.830

2000

0.785

2500

0.735

3000

0.690

3500

0.650

4000

0.610

4500

0.565


附录C 本规范用词说明

第C.0.1条 执行本规范条文时,对要求严格程度的用词作如下规定,以便执行时区别对待。

1、表示很严格,非这样不可的用词:

  正面词采用“必须”;

  反面词采用“严禁”。

 2、表示严格,在正常情况下均应这样做的用词:

  正面词采用“应”;

  反面词采用“不应”或“不得”。

3、表示允许稍有选择,在条件许可时首先应这样做的用词:

  正面词采用“宜”或“可”;

  反面词采用“不宜”。

第C.0.2条 条文中规定应按指定的标准,规范执行时,写法为“应符合.....的规定”或“应按.....执行”。


更多
相关文章:
净化厂房的洁净度管理及节能运行实例
Tags:

上一条:室内装饰工程质量规范(全文完整版)下一条:新风量计算方法
首页 | 关于我们 | 解决方案 | 工程案例 | 客户中心 | 1946浼熷痉瀹樻柟缃戠珯 | 1946浼熷痉澶囩敤缃戝潃 | 1946浼熷痉瀹樼綉
深圳、佛山、东莞、中山、江门、惠州、广州净化工程公司|无尘车间|洁净室|无尘室|净化车间|净化厂房|洁净厂房|洁净车间|洁净棚|GMP车间|GMP厂房等空调洁净工程施工及服务
拓展阅读:10万级净化车间标准|实验动物房|中央厨房|洁净室换气次数|洁净手术室规范|GMP洁净度等级|食品生产卫生规范|洁净厂房施工要点|无尘车间着装规范
Copyright © 2012-2018
Baidu
map