技术中心
行业解决方案
随机文章选读
联系我们
  • 联系人:董先生
  • 联系电话:137-10902965

医院负压隔离病房区(负压病房、传染病房)空调设计

文章来源://www.capeel.com/  2020年02月03日  点击数:12141

近些年来负压隔离病房的建设在我国发展很快,但由于过去我国一直没有负压隔离病房的规范标准,负压隔离病房的设计和建造不可避免地存在一些问题。本文以某医院整个负压隔离病房区作为污染受控隔离对象,结合合理的平面布局分区、相邻区域及房间之间的压差控制、过滤器的合理配置以及气流组织形式的控制等措施来完成该医院隔离病房区的空调设计。

医院负压隔离病房区(负压病房、传染病房)空调设计

1 建筑平面

围绕将整个负压隔离病房区作为污染受控隔离对象这一核心设计思路,在平面布局上遵循“功能符合、流程短捷、洁污分明、分区合理”的设计原则,在与该医院反复沟通后最终达成以下共识:

1)负压隔离病房区独立设置在东南侧尽头,自成一区,尽量减少干扰,便于隔离与管理。

2)负压隔离病房均按双人间设计,每间负压病房单独配置一个缓冲前室与卫生间,另包括相应的医护走廊、医生办公室、治疗室、护士站、污洗消毒间等辅助用房,吊顶高度均为2.8m。

医院负压隔离病房区(负压病房、传染病房)空调设计

3)将整个隔离病区划分为半污染区和污染区。医护人员、病人、洁净物品及污物的走向科学、合理,杜绝任何交叉感染,体现人性化设计特点。


其中半污染区包括:病房与内走廊之间的缓冲区、医护人员走廊、治疗室、医生办公室、护士站等区域;

污染区包括:隔离病房、卫生间、病人走廊以及污洗消毒间。以往一般把隔离病区划分为三区即污染区、半污染区、清洁区,其中清洁区主要包括医护走廊、医生办公室、治疗室、护士站等辅助用房,但该负压病房的清洁区主要指除了隔离病房区之外的区域,隔离病区内部无清洁区。

4)不同区域跨区即病房入走廊与走廊至外界之间设置缓冲室,降低人员进出、门开关及相连房间由于温差的动态变化而造成的污染物扩散,大大提高动态隔离能力。从图1可以看到,病人走廊、医护人员走廊与隔离病区外的清洁区之间分别设置缓冲走廊1、缓冲走廊2;每个病房与医护人员内走廊之间都设置了缓冲间。

医院负压隔离病房区空调设计

图1隔离病区平面图


5)除消防安全门外,区域内门均向压力高的一面开启,可增加门的密闭性。根据隔离病房区内部污染程度的不同来确定门的开启方向,比如卫生间门应向病房门一侧开启。此处主要借鉴《洁净厂房设计规范》中洁净室内的密闭门应朝空气洁净度较高的房间开启这一要求。而消防疏散门必须满足消防要求,向疏散通道方向开启。

6)负压隔离病房的位置设计充分考虑到自然采光,再利用通透玻璃隔断,可一定程度缓解病人的压抑与不安,有助于治疗效果。一般情况下病人需要在隔离病房呆一段时间,在此期间病人的情绪对治疗的效果影响很大,病人如果一直处于压抑与不安状态不利于康复。为此,在6个负压病房的位置设计时,充分利用了自然光甚至自然景观,吊顶高度设置2.8m也有这方面因素的考虑。


2 空调系统


♦室内外设计参数

夏季空调室外计算干球温度35.2℃,空调室外计算湿球温度26℃,大气压力95920Pa;冬季空调室外计算温度-8℃,空调室外计算相对湿度 67%,大气压力97870Pa。

污染区及半污染区夏季空调室内设计温度为24~28℃,相对湿度为45%~65%;冬季空调室内设计温度为18~22℃,相对湿度为35%~55%。


♦空调系统划分

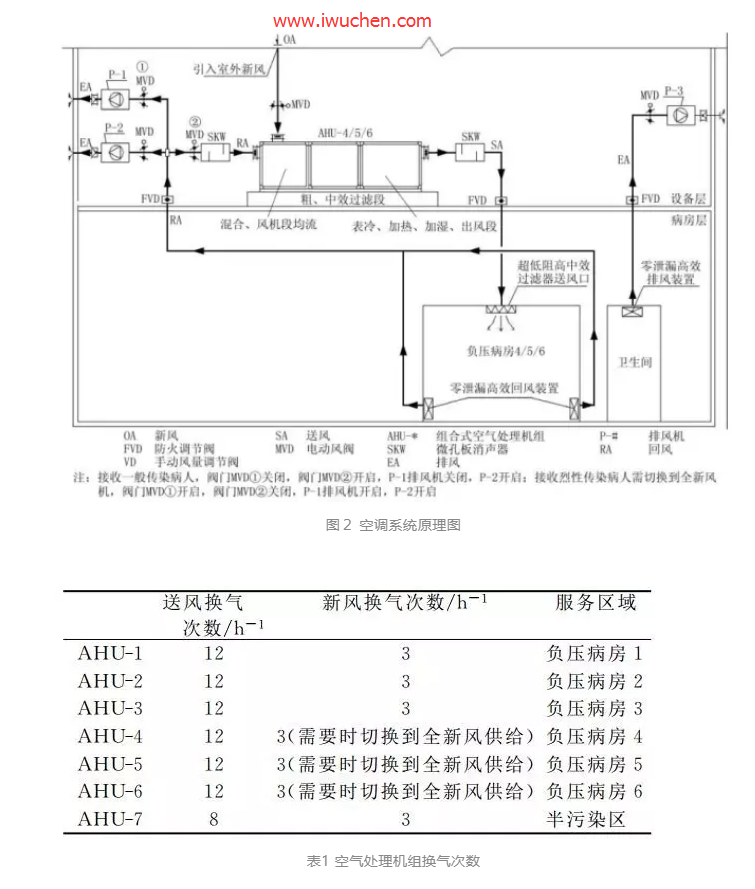
半污染区、污染区分别设置空调系统:6间负压病房均采用一拖一形式,各采用一套全空气系统;半污染区独立采用一套全空气系统;病人走廊只考虑排风系统;4,5,6号负压病房需要切换到全新风运行(空调系统原理图见图2,空气处理机组的换气次数见表1),以满足隔离烈性传染病人的需要。

医院负压隔离病房区空调设计

图2空调系统原理图

表1空气处理机组换气次数


♦空调系统性能和特性


1)空调系统采用全空气系统,与顶棚采用风机盘管相比,能够避免凝结水的积存带来的二次污染、漏水及噪声等问题。

2)6间负压病房均采用一拖一形式,每个负压病房独立循环,不但使用更加灵活、节能,而且能够避免或减少病人之间的交叉感染。

3)空调系统24h运行,夜间风量可切换到低挡运行,以免打扰病人休息。

4)1,2,3号负压病房采用自取新风形式,且可切换为全新风供给,以满足烈性传染病人治疗与隔离需要。

5)空调机组采用单进风离心风机,以满足小风量高静压的要求。

6)空调机组与排风机联锁控制。

7)病人走廊只设置排风系统,不考虑空调系统,以达到节能的目的。

8)送风口布置在房间的一侧,与病床相对,使医护人员处于上风侧,排风从病床一侧排出。

医院负压隔离病房区(负压病房、传染病房)空调设计

♦空调控制措施


对于负压隔离病房所需要采用的空调控制措施主要从以下方面着手:各区之间采用一定的压差控制;用空气过滤的物理方法有效清除空气中细菌及病毒,以送入清洁空气;依靠室内气流组织及送风量,稀释和排走室内污染物。


1)压差控制

压差控制的主要目的在于防止污染物由污染区扩散到清洁区,使洁污区域之间形成合理气流且定向流动,通过调节送风量、回风量、排风量之间的差值来实现(压差设计值详见图1)。从图1可以看出,除与清洁区相通的缓冲走廊1、缓冲走廊2保持10Pa正压外,其余房间均为负压。

负压程度由高到低依次为卫生间、负压隔离病房、病人走廊、缓冲间、医护走廊、医生办公室。这也有别于以往负压病房的设计,应该以整个负压隔离病房区作为污染受控隔离对象,在此基础上进行压差控制,更有利于防止污染物的扩散。有压差要求的相邻场所,在相通的门口目测高度安装微压差计。


2)空气过滤器

负压隔离病房送风符合DN11/409—2007《医院感染性疾病科室内空气卫生质量要求》的要求,送风口采用初阻力仅为20Pa的超低阻高中效过滤器(www.rfilter.com);半污染区、缓冲间(缓冲间换气次数取60h-1)送风口均安装高效过滤器;负压隔离病房内的回风与排风以及卫生间排风均安装可安全拆卸的零泄漏高效回(排)风装置;负压病房辅助区即半污染区的回风口同样采用超低阻高中效过滤器。


3)气流组织

负压隔离病房内采用上送下侧回的气流组织,室内送风先经过医护人员再流向患者,最后由排风口排出,形成定向合理的气流流动,保证病人呼出的污染物快速有效地排除。应尽量避免出现死区、气流停滞和送排风短路等情况;同时还要考虑为病人提供舒适的休息环境,为医护人员提供健康的工作环境。病房主送风口设于病床边医护人员站位顶棚处,次送风口设于病床床尾顶棚处。由于是双人病房,故送风口集中于两床之间布置,有利于控制污染传播。


针对以空气为传播媒介的传染病毒的特性,提出以整个负压隔离病房区作为污染受控隔离对象设计的思路和特点,再结合合理的平面布局分区、相邻区域及房间之间的压差控制、过滤器的合理配置以及气流组织形式的控制等措施来提高负压隔离病房的隔离能力。


原文来源://www.capeel.com/

更多
相关文章:
传染病医院(负压病房,传染病区)的设计原则与要求
医院负压病房的全面设计与施工要点

上一条:医院负压病房的全面设计与施工要点下一条:负压隔离病房(传染病隔离房)的隔离通风分析与设计
首页 | 关于我们 | 解决方案 | 工程案例 | 客户中心 | 1946浼熷痉瀹樻柟缃戠珯 | 1946浼熷痉澶囩敤缃戝潃 | 1946浼熷痉瀹樼綉
深圳、佛山、东莞、中山、江门、惠州、广州净化工程公司|无尘车间|洁净室|无尘室|净化车间|净化厂房|洁净厂房|洁净车间|洁净棚|GMP车间|GMP厂房等空调洁净工程施工及服务
拓展阅读:10万级净化车间标准|实验动物房|中央厨房|洁净室换气次数|洁净手术室规范|GMP洁净度等级|食品生产卫生规范|洁净厂房施工要点|无尘车间着装规范
Copyright © 2012-2018
Baidu
map